Einstellungen Computer

Toro 16785 - Lawnmower, 1985 (5000001-5999999) BRAKE ASSEMBLY Ersatzteile

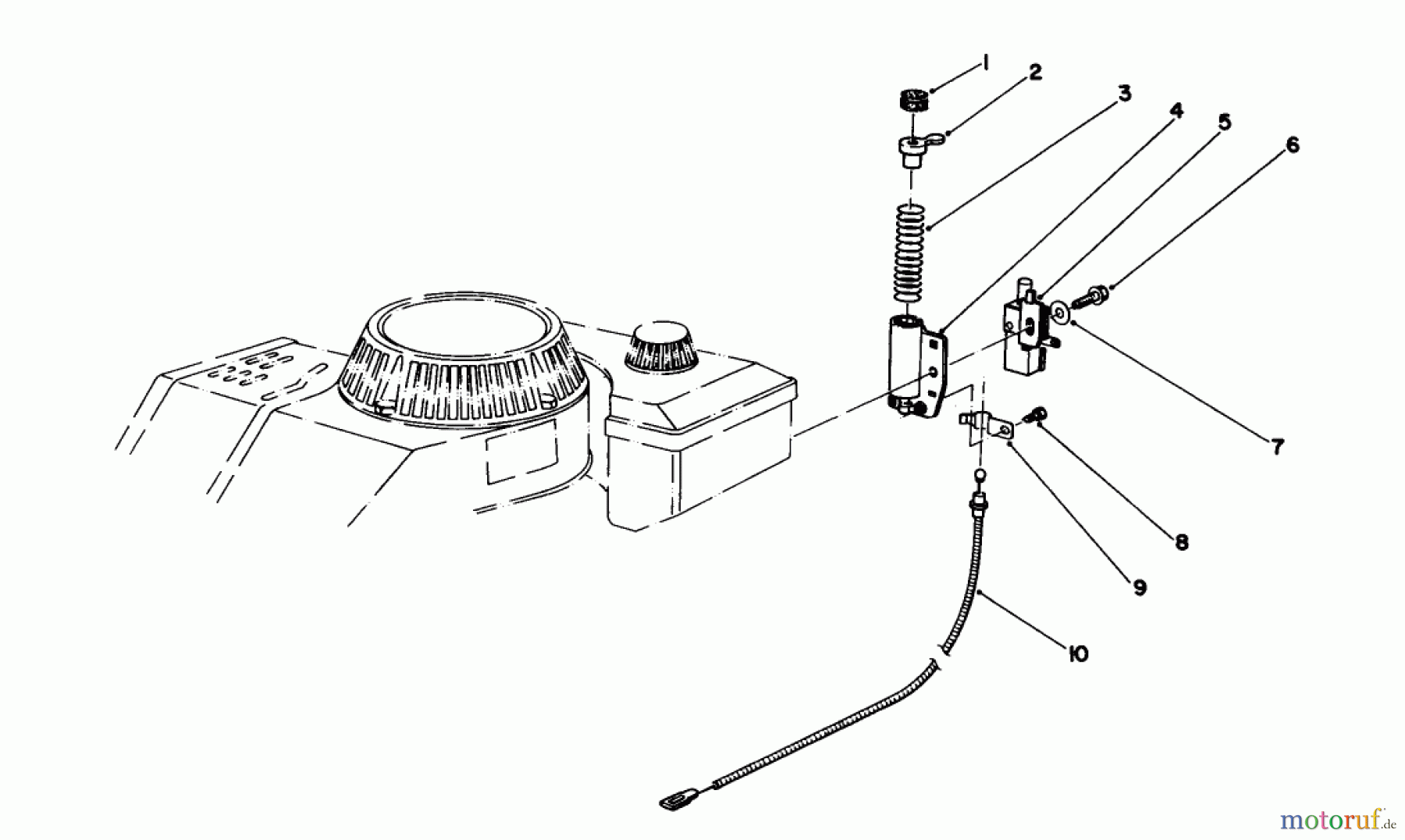
BRAKE ASSEMBLY 16785 - Toro Lawnmower, 1985 (5000001-5999999)

 Toro Neu Mowers, Walk-Behind Seite 1 16785 - Toro Lawnmower, 1985 (5000001-5999999) BRAKE ASSEMBLY

Hier finden Sie die Ersatzteilzeichnung für Toro Neu Mowers, Walk-Behind Seite 1 16785 - Toro Lawnmower, 1985 (5000001-5999999) BRAKE ASSEMBLY. Wählen Sie das benötigte Ersatzteil aus der Ersatzteilliste Ihres Toro Gerätes aus und bestellen Sie einfach online. Viele Toro Ersatzteile halten wir ständig in unserem Lager für Sie bereit.

Rasen
Bankeinzug, MasterCard, Visa, American Express, PayPal, Nachnahme, Vorauskasse, Sofortüberweisung
Datenschutzerklärung Impressum
Qualitätsmanagement
Informieren Sie uns, wenn Sie einen Fehler gefunden haben.