Toro 16300 - Lawnmower, 1982 (2000001-2999999) ENGINE BRIGGS & STRATTON MODEL 92508-1033-01 Ersatzteile
ENGINE BRIGGS & STRATTON MODEL 92508-1033-01 16300 - Toro Lawnmower, 1982 (2000001-2999999)

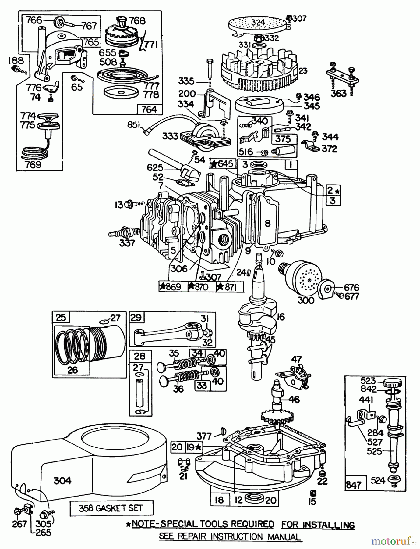
Hier finden Sie die Ersatzteilzeichnung für Toro Neu Mowers, Walk-Behind Seite 1 16300 - Toro Lawnmower, 1982 (2000001-2999999) ENGINE BRIGGS & STRATTON MODEL 92508-1033-01. Wählen Sie das benötigte Ersatzteil aus der Ersatzteilliste Ihres Toro Gerätes aus und bestellen Sie einfach online. Viele Toro Ersatzteile halten wir ständig in unserem Lager für Sie bereit.









