Toro 72046 (265-H) - 265-H Lawn and Garden Tractor, 1996 (6900001-6999999) CYLINDER HEAD/VALVE/BREATHER Ersatzteile
CYLINDER HEAD/VALVE/BREATHER 72046 (265-H) - Toro 265-H Lawn and Garden Tractor, 1996 (6900001-6999999)

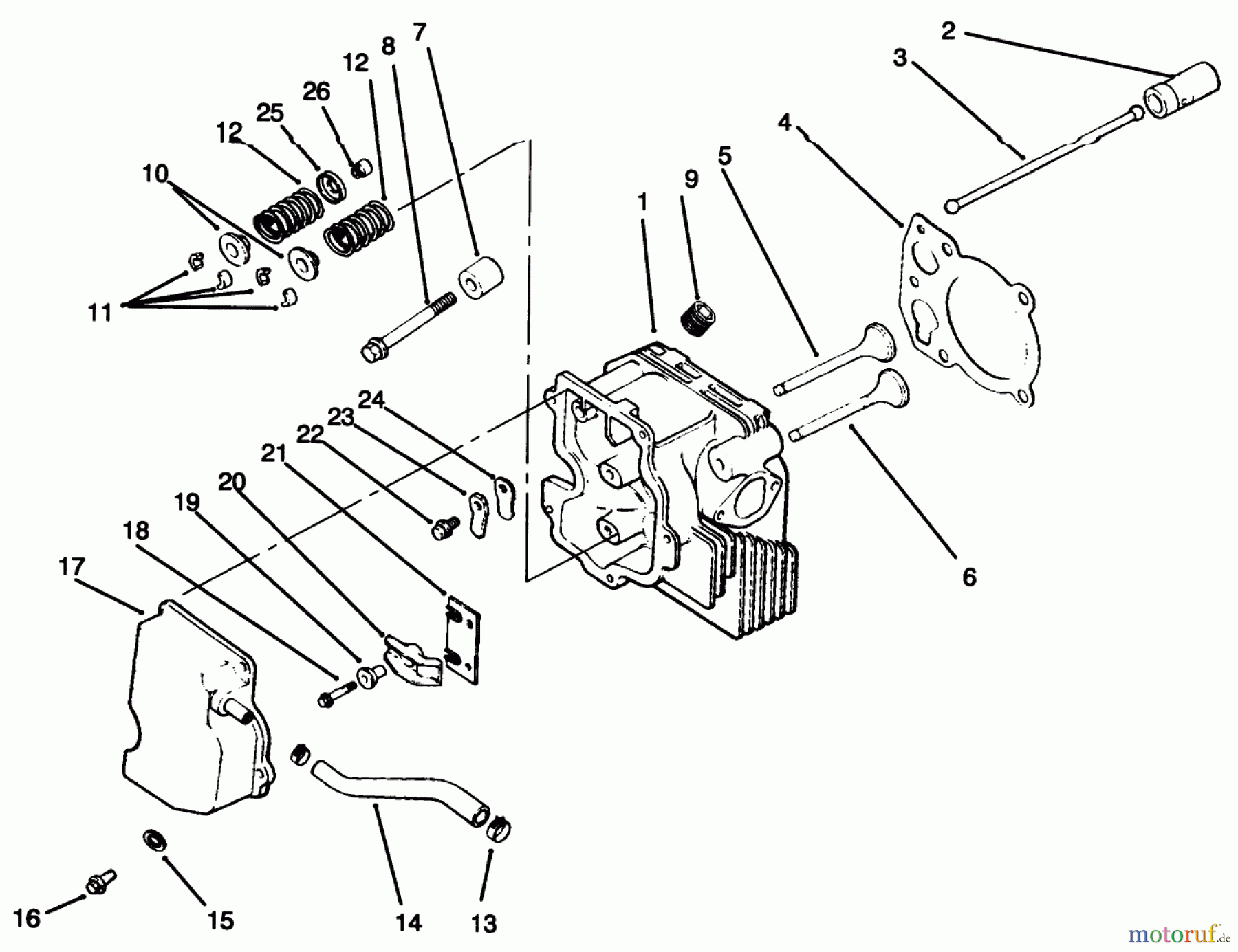
Hier finden Sie die Ersatzteilzeichnung für Toro Neu Mowers, Lawn & Garden Tractor Seite 1 72046 (265-H) - Toro 265-H Lawn and Garden Tractor, 1996 (6900001-6999999) CYLINDER HEAD/VALVE/BREATHER. Wählen Sie das benötigte Ersatzteil aus der Ersatzteilliste Ihres Toro Gerätes aus und bestellen Sie einfach online. Viele Toro Ersatzteile halten wir ständig in unserem Lager für Sie bereit.
| BildNr | Artikel Nummer | Bezeichnung | |
| 9 | KHX-75-23-S | USE 25 139 60-S | |
| 10 | KH1217301-S | RETAINER, VALVE SPRING - USE 2 | |
| 11 | KH1275503-S | KIT, RETAINER | |
| 13 | KHX-426-9-S | USE 25 237 14-S | |
| 16 | KHSM-0645020 | ||
| 18 | KHM-0640034 | ||
| 22 | KHM-545010 | Schraube | |
| 23 | KH1201801-S | REED RETAINER | |
| 25 | KH235011-S | RETAINER, SPRING | |
| 26 | KH2403205-S | USE 66 032 05-S SEAL | |


Qualitätsmanagement
Informieren Sie uns, wenn Sie einen Fehler gefunden haben.

