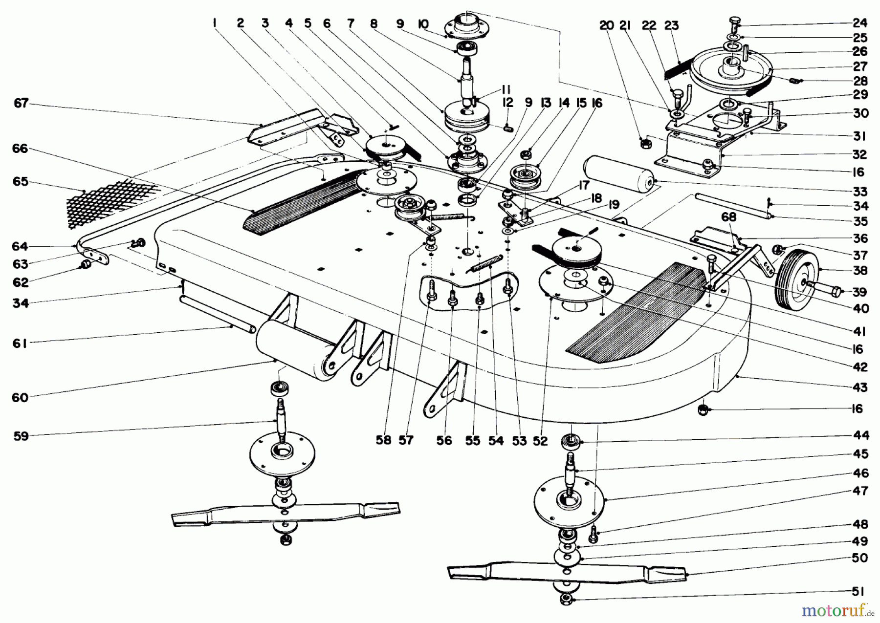
Toro 55402 (960) - 960 Suburban Lawn Tractor, 1969 (9000001-9999999) 42" MOWER DECK ASSEMBLY (CONT-D) Ersatzteile
42" MOWER DECK ASSEMBLY (CONT-D) 55402 (960) - Toro 960 Suburban Lawn Tractor, 1969 (9000001-9999999)

Hier finden Sie die Ersatzteilzeichnung für Toro Neu Mowers, Lawn & Garden Tractor Seite 1 55402 (960) - Toro 960 Suburban Lawn Tractor, 1969 (9000001-9999999) 42" MOWER DECK ASSEMBLY (CONT-D). Wählen Sie das benötigte Ersatzteil aus der Ersatzteilliste Ihres Toro Gerätes aus und bestellen Sie einfach online. Viele Toro Ersatzteile halten wir ständig in unserem Lager für Sie bereit.


Qualitätsmanagement
Informieren Sie uns, wenn Sie einen Fehler gefunden haben.


