Toro 41-20OE02 (520-H) - 520-H Garden Tractor, 1991 (1000001-1999999) TORO POWER PLUS IGNITION - ELECTRONIC Ersatzteile
TORO POWER PLUS IGNITION - ELECTRONIC 41-20OE02 (520-H) - Toro 520-H Garden Tractor, 1991 (1000001-1999999)

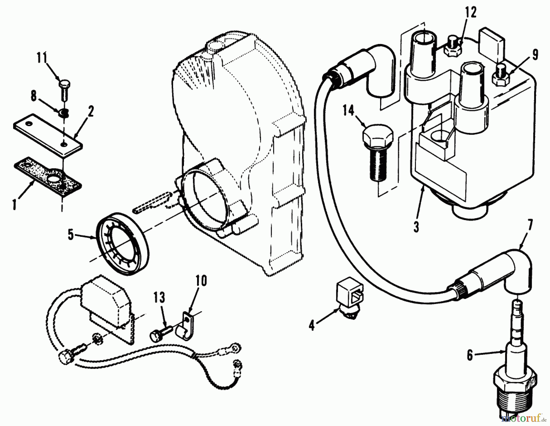
Hier finden Sie die Ersatzteilzeichnung für Toro Neu Mowers, Lawn & Garden Tractor Seite 1 41-20OE02 (520-H) - Toro 520-H Garden Tractor, 1991 (1000001-1999999) TORO POWER PLUS IGNITION - ELECTRONIC. Wählen Sie das benötigte Ersatzteil aus der Ersatzteilliste Ihres Toro Gerätes aus und bestellen Sie einfach online. Viele Toro Ersatzteile halten wir ständig in unserem Lager für Sie bereit.



