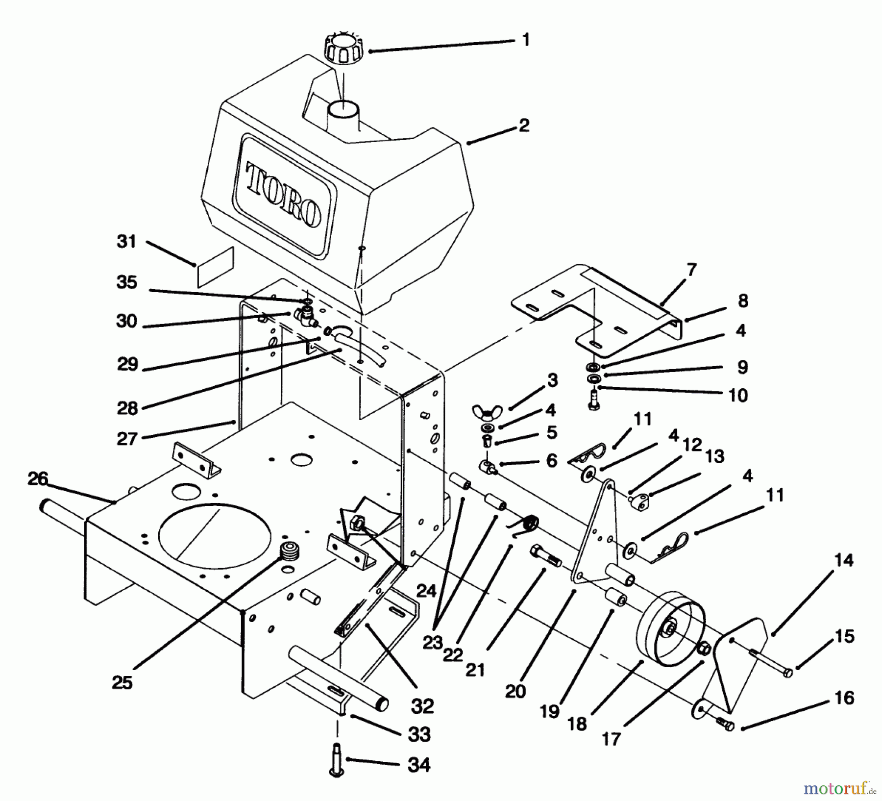
Toro 30180 - Mid-Size Proline Gear Traction Unit, 16 hp, 1995 (590001-599999) FRAME, FUEL TANK AND WHEEL DRIVE IDLER Ersatzteile
FRAME, FUEL TANK AND WHEEL DRIVE IDLER 30180 - Toro Mid-Size Proline Gear Traction Unit, 16 hp, 1995 (590001-599999)

Hier finden Sie die Ersatzteilzeichnung für Toro Neu Mowers, Drive Unit Only 30180 - Toro Mid-Size Proline Gear Traction Unit, 16 hp, 1995 (590001-599999) FRAME, FUEL TANK AND WHEEL DRIVE IDLER. Wählen Sie das benötigte Ersatzteil aus der Ersatzteilliste Ihres Toro Gerätes aus und bestellen Sie einfach online. Viele Toro Ersatzteile halten wir ständig in unserem Lager für Sie bereit.



