Toro 78315 - 37" Side Discharge Mower, 1994 (4900001-4999999) DECK ASSEMBLY Ersatzteile
DECK ASSEMBLY 78315 - Toro 37" Side Discharge Mower, 1994 (4900001-4999999)

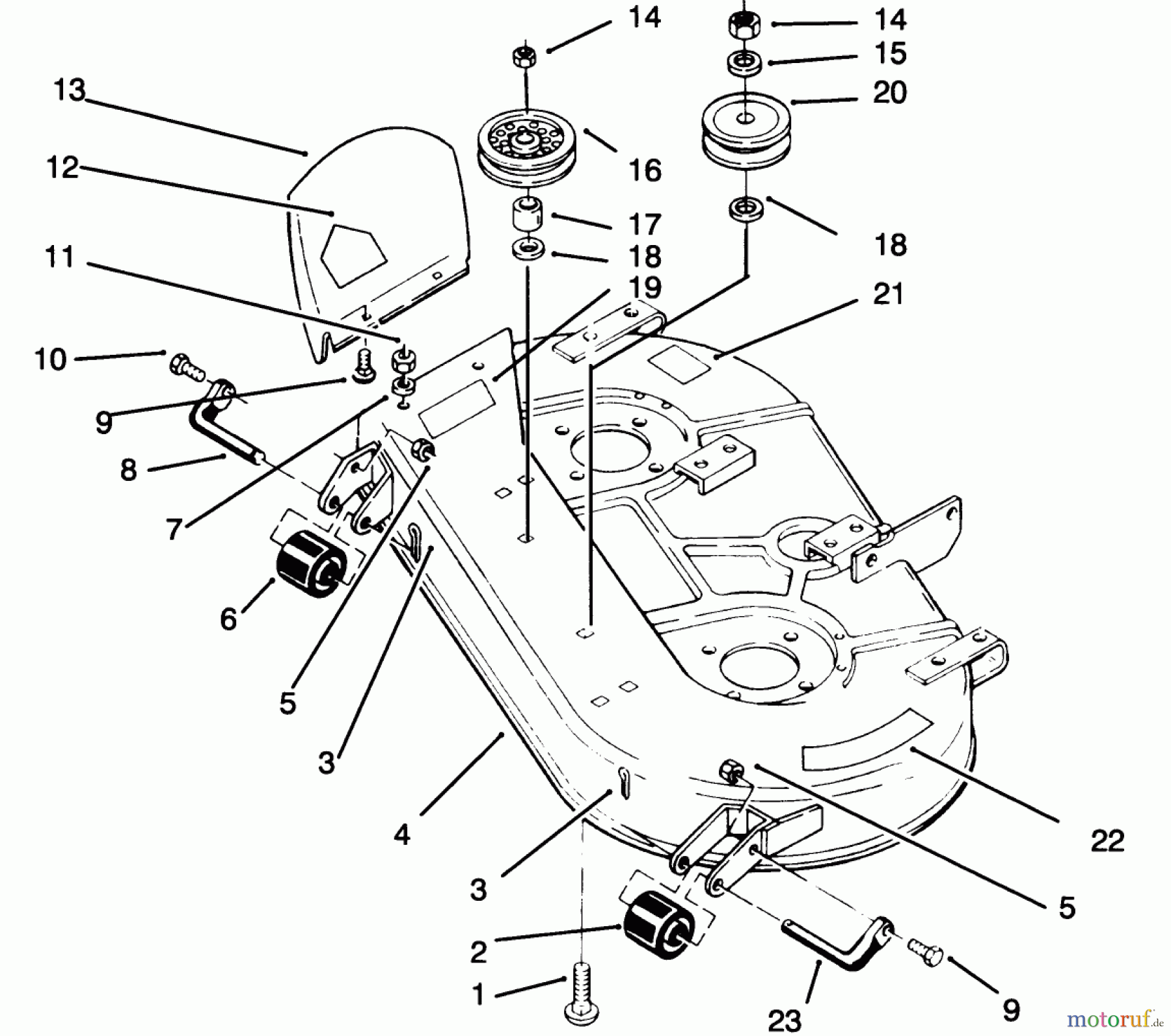
Hier finden Sie die Ersatzteilzeichnung für Toro Neu Mowers, Deck Assembly Only 78315 - Toro 37" Side Discharge Mower, 1994 (4900001-4999999) DECK ASSEMBLY. Wählen Sie das benötigte Ersatzteil aus der Ersatzteilliste Ihres Toro Gerätes aus und bestellen Sie einfach online. Viele Toro Ersatzteile halten wir ständig in unserem Lager für Sie bereit.








