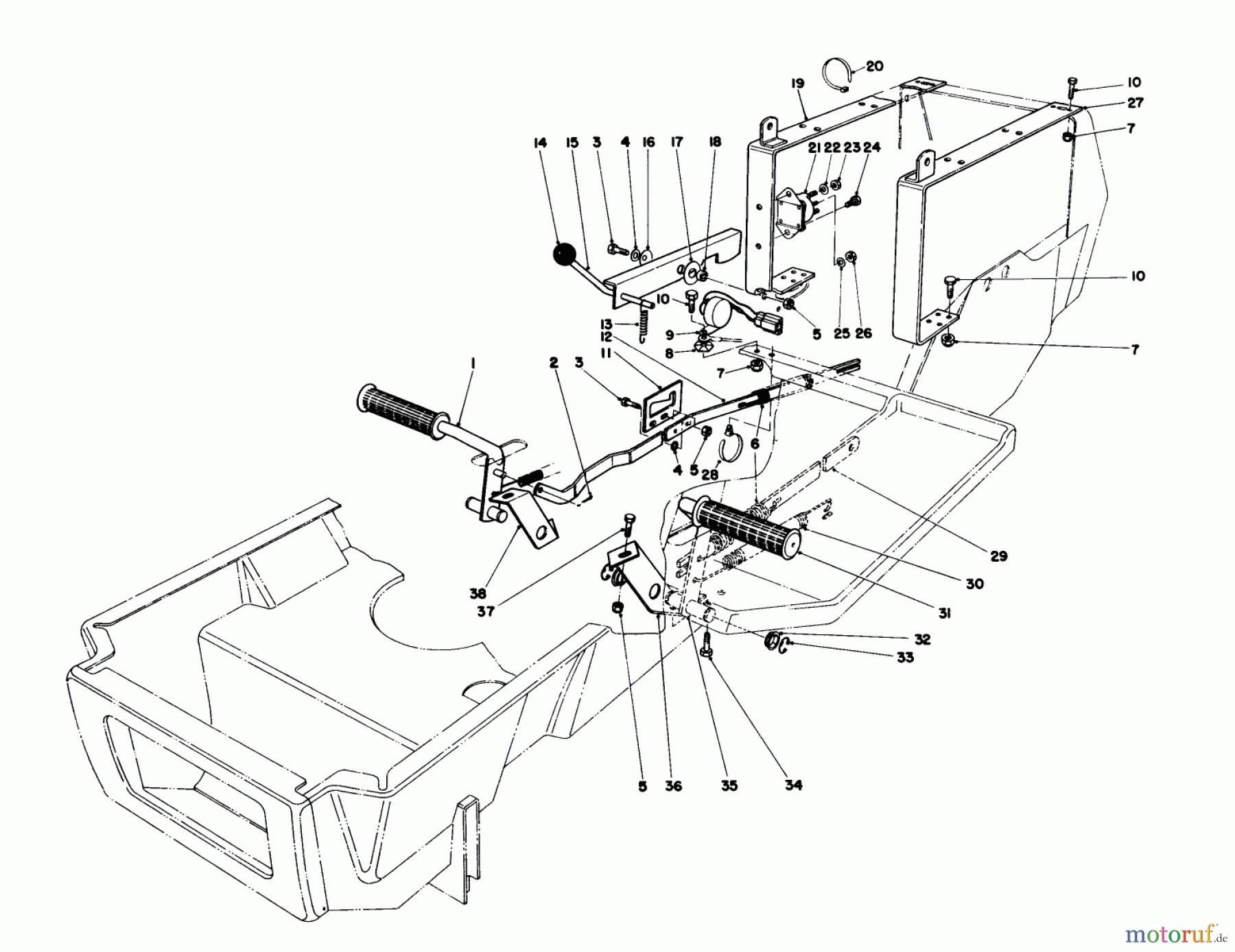
Toro 59147 - 38" Side Discharge Mower, for Model 59365 Tractor, 1986 (6000001-6999999) BRAKE & CLUTCH PEDAL ASSEMBLY Ersatzteile
BRAKE & CLUTCH PEDAL ASSEMBLY 59147 - Toro 38" Side Discharge Mower, for Model 59365 Tractor, 1986 (6000001-6999999)

Hier finden Sie die Ersatzteilzeichnung für Toro Neu Mowers, Deck Assembly Only 59147 - Toro 38" Side Discharge Mower, for Model 59365 Tractor, 1986 (6000001-6999999) BRAKE & CLUTCH PEDAL ASSEMBLY. Wählen Sie das benötigte Ersatzteil aus der Ersatzteilliste Ihres Toro Gerätes aus und bestellen Sie einfach online. Viele Toro Ersatzteile halten wir ständig in unserem Lager für Sie bereit.


Qualitätsmanagement
Informieren Sie uns, wenn Sie einen Fehler gefunden haben.




