Toro 05-36RL01 - 36" Rear Discharge Mower, 1986 SIDE DISCHARGE MOWER-37 IN. (94 CM) (VEHICLE IDENTIFICATION NUMBER 35-37SL01) #2 Ersatzteile
SIDE DISCHARGE MOWER-37 IN. (94 CM) (VEHICLE IDENTIFICATION NUMBER 35-37SL01) #2 05-36RL01 - Toro 36" Rear Discharge Mower, 1986

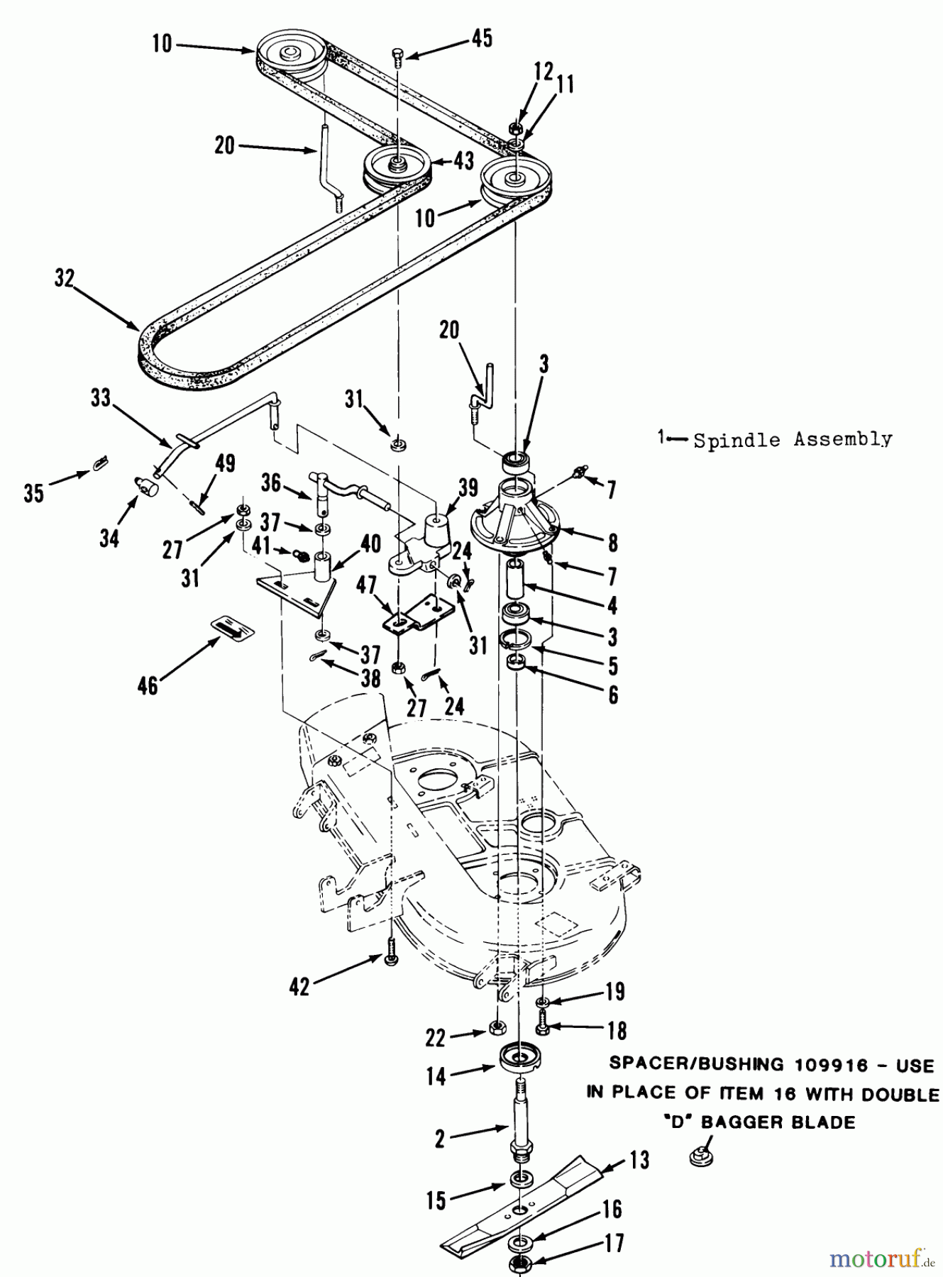
Hier finden Sie die Ersatzteilzeichnung für Toro Neu Mowers, Deck Assembly Only 05-36RL01 - Toro 36" Rear Discharge Mower, 1986 SIDE DISCHARGE MOWER-37 IN. (94 CM) (VEHICLE IDENTIFICATION NUMBER 35-37SL01) #2. Wählen Sie das benötigte Ersatzteil aus der Ersatzteilliste Ihres Toro Gerätes aus und bestellen Sie einfach online. Viele Toro Ersatzteile halten wir ständig in unserem Lager für Sie bereit.






