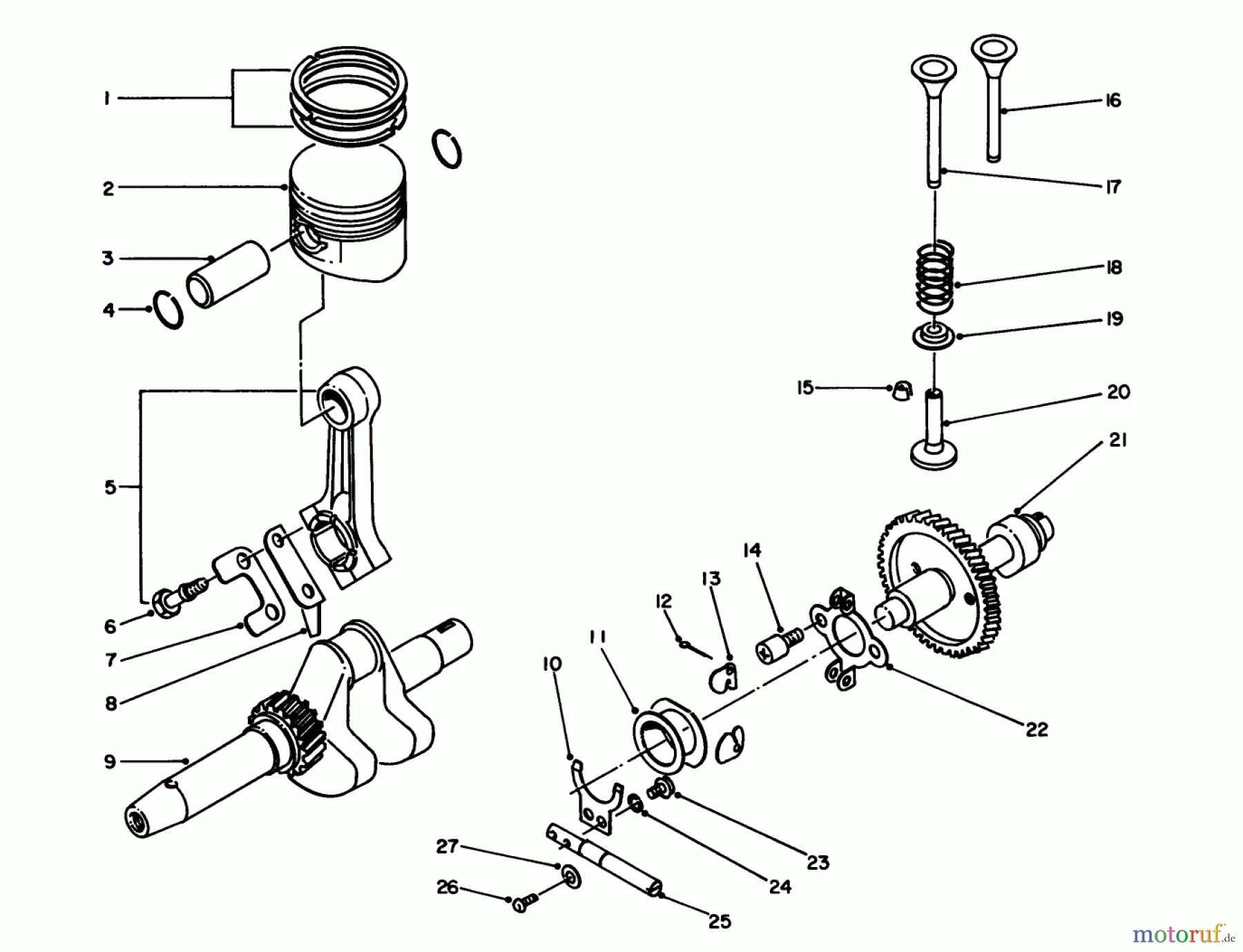
Toro 62005 (T500) - Generator, T500, 1985 (5000001-5999999) CRANKSHAFT & CAMSHAFT ASSEMBLY Ersatzteile
CRANKSHAFT & CAMSHAFT ASSEMBLY 62005 (T500) - Toro Generator, T500, 1985 (5000001-5999999)

Hier finden Sie die Ersatzteilzeichnung für Toro Neu Generators 62005 (T500) - Toro Generator, T500, 1985 (5000001-5999999) CRANKSHAFT & CAMSHAFT ASSEMBLY. Wählen Sie das benötigte Ersatzteil aus der Ersatzteilliste Ihres Toro Gerätes aus und bestellen Sie einfach online. Viele Toro Ersatzteile halten wir ständig in unserem Lager für Sie bereit.


Qualitätsmanagement
Informieren Sie uns, wenn Sie einen Fehler gefunden haben.

