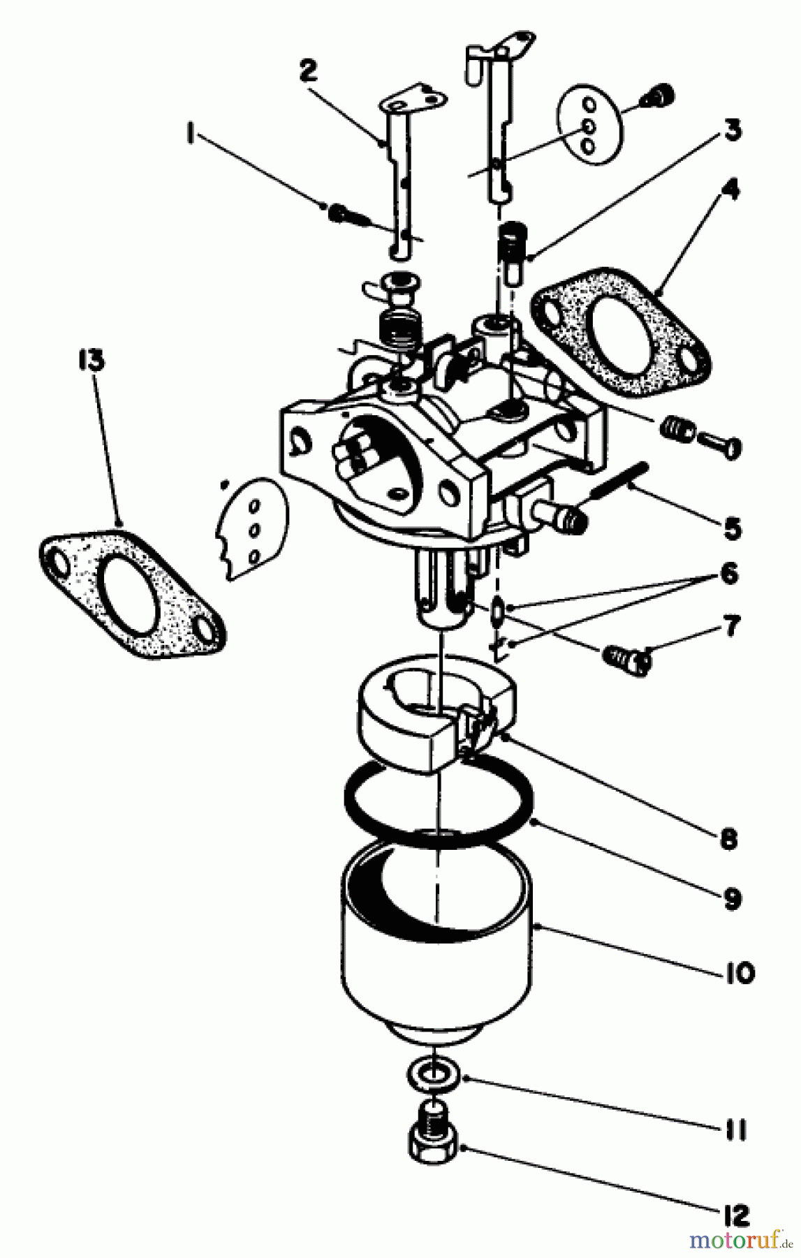
Toro 59260 - Replacement Engine, 2-Cycle, 1985 (500001-599999) CARBURETOR ASSEMBLY Ersatzteile
CARBURETOR ASSEMBLY 59260 - Toro Replacement Engine, 2-Cycle, 1985 (500001-599999)

Hier finden Sie die Ersatzteilzeichnung für Toro Neu Engines 59260 - Toro Replacement Engine, 2-Cycle, 1985 (500001-599999) CARBURETOR ASSEMBLY. Wählen Sie das benötigte Ersatzteil aus der Ersatzteilliste Ihres Toro Gerätes aus und bestellen Sie einfach online. Viele Toro Ersatzteile halten wir ständig in unserem Lager für Sie bereit.


Qualitätsmanagement
Informieren Sie uns, wenn Sie einen Fehler gefunden haben.




