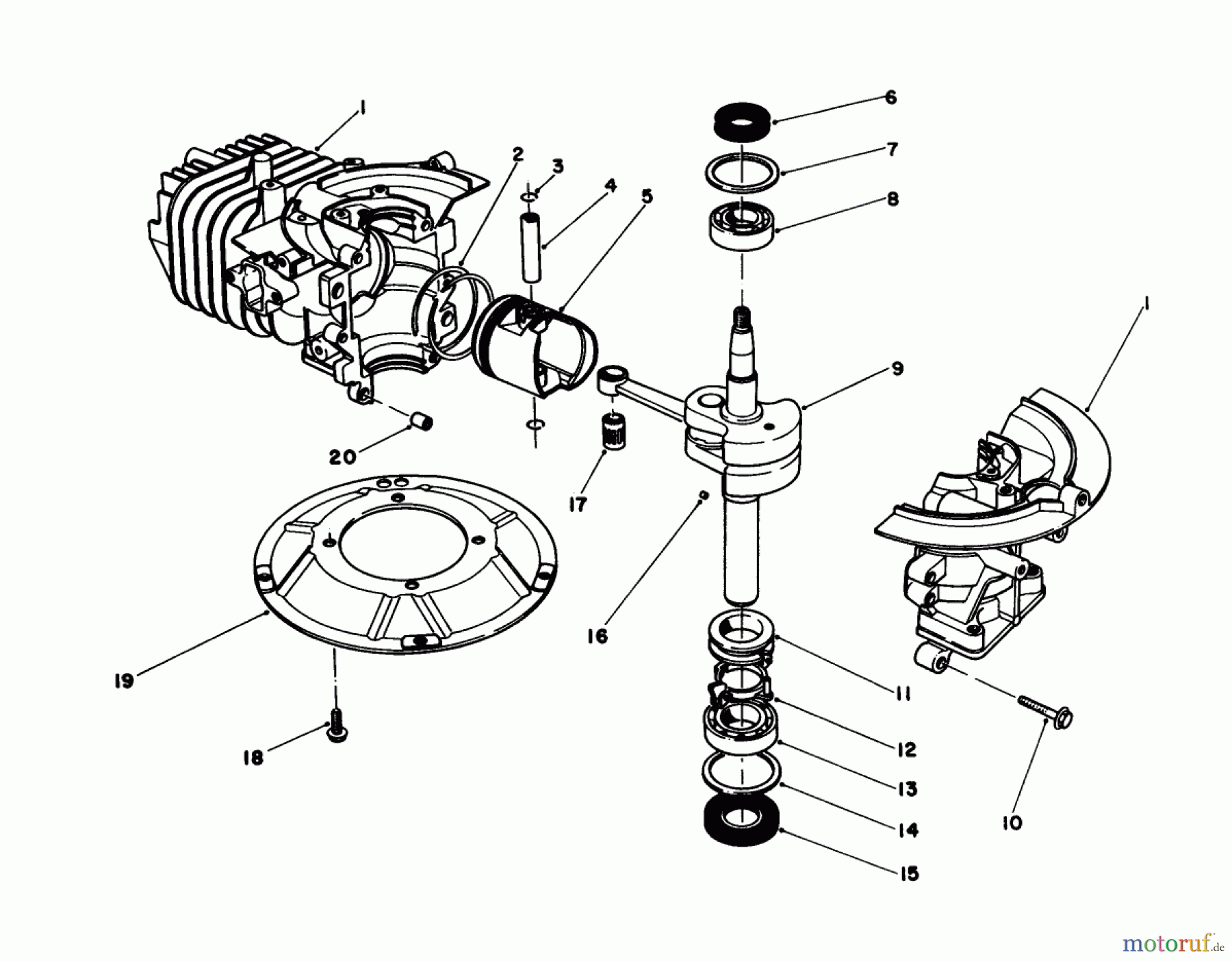
Toro 59257 - Replacement Engine, 2-Cycle (Zone Start), 1985 (5000001-5999999) SHORT BLOCK ASSEMBLY Ersatzteile
SHORT BLOCK ASSEMBLY 59257 - Toro Replacement Engine, 2-Cycle (Zone Start), 1985 (5000001-5999999)

Hier finden Sie die Ersatzteilzeichnung für Toro Neu Engines 59257 - Toro Replacement Engine, 2-Cycle (Zone Start), 1985 (5000001-5999999) SHORT BLOCK ASSEMBLY. Wählen Sie das benötigte Ersatzteil aus der Ersatzteilliste Ihres Toro Gerätes aus und bestellen Sie einfach online. Viele Toro Ersatzteile halten wir ständig in unserem Lager für Sie bereit.



