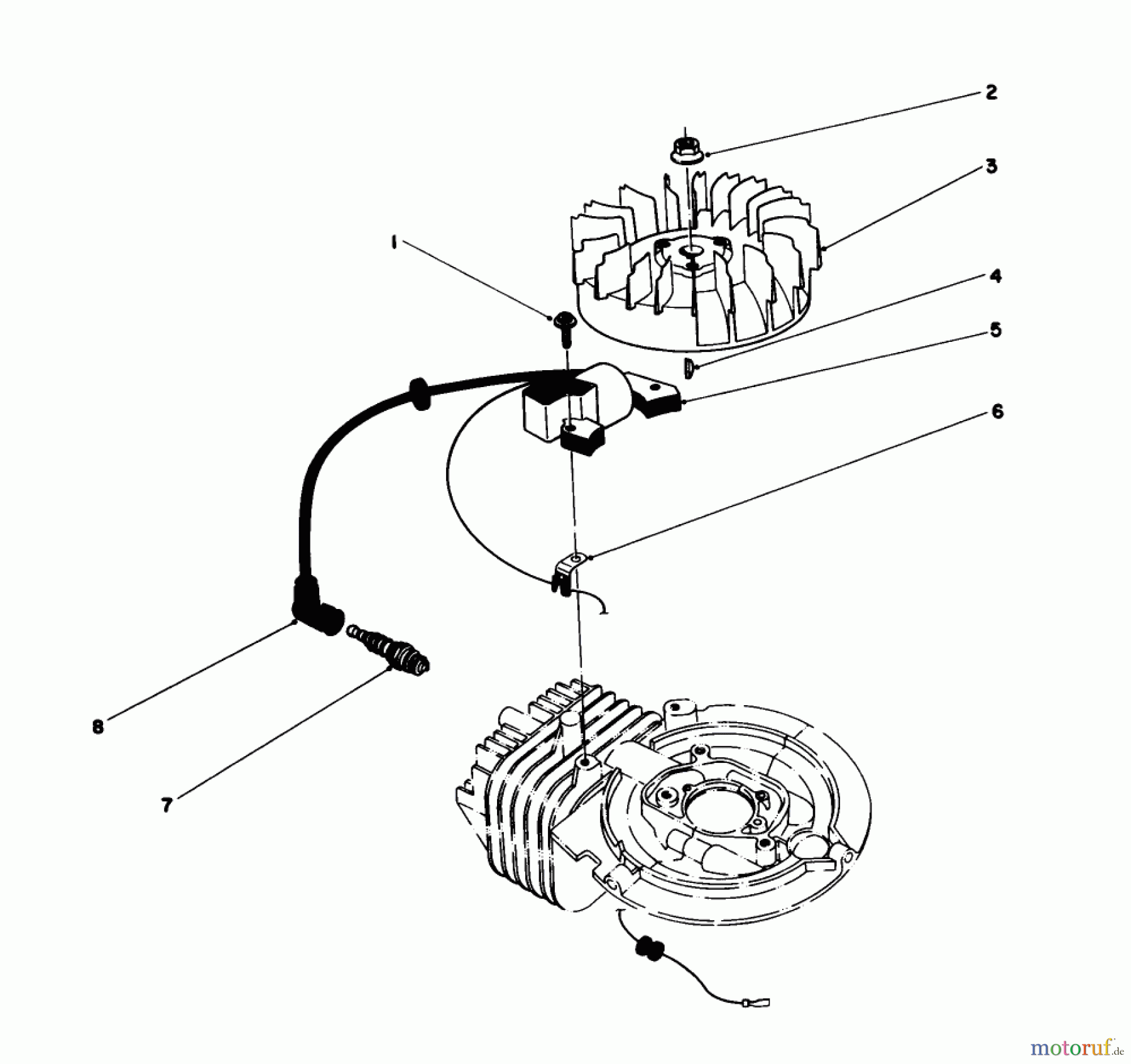
Toro 59250 - Replacement Engine, 2-Cycle (Blade Brake Clutch), 1984 (4000001-4999999) FLYWHEEL & MAGNETO ASSEMBLY Ersatzteile
FLYWHEEL & MAGNETO ASSEMBLY 59250 - Toro Replacement Engine, 2-Cycle (Blade Brake Clutch), 1984 (4000001-4999999)

Hier finden Sie die Ersatzteilzeichnung für Toro Neu Engines 59250 - Toro Replacement Engine, 2-Cycle (Blade Brake Clutch), 1984 (4000001-4999999) FLYWHEEL & MAGNETO ASSEMBLY. Wählen Sie das benötigte Ersatzteil aus der Ersatzteilliste Ihres Toro Gerätes aus und bestellen Sie einfach online. Viele Toro Ersatzteile halten wir ständig in unserem Lager für Sie bereit.
| BildNr | Artikel Nummer | Bezeichnung | |
| 1 | TR81-5680 | SCREW | |
| 2 | TR81-1330 | Mutter | |
| 3 | TR81-1980 | Schwungrad | |
| 4 | TR81-2370 | Keil | |
| 5 | TR17-1529 | Zuendanlage | |
| 6 | TR81-1480 | Klemme | |
| 7 | TR50-1170 | Zuendkerze | |
| 8 | TR81-1500 | Zuendkerzenstecker | |
| TR41-7650 | Schwungradabzieher Toro | ||


