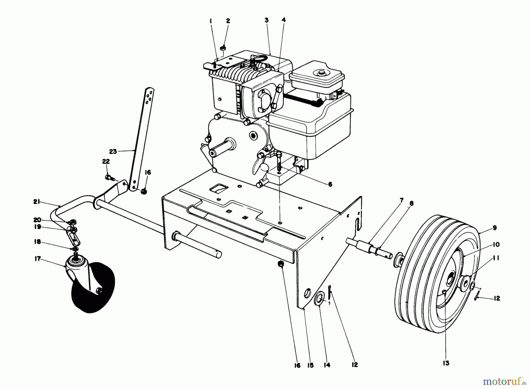
Toro 62933 - 5 hp Lawn Blower, 1983 (3000001-3999999) ENGINE AND BASE ASSEMBLY Ersatzteile
ENGINE AND BASE ASSEMBLY 62933 - Toro 5 hp Lawn Blower, 1983 (3000001-3999999)

Hier finden Sie die Ersatzteilzeichnung für Toro Neu Blowers/Vacuums/Chippers/Shredders 62933 - Toro 5 hp Lawn Blower, 1983 (3000001-3999999) ENGINE AND BASE ASSEMBLY. Wählen Sie das benötigte Ersatzteil aus der Ersatzteilliste Ihres Toro Gerätes aus und bestellen Sie einfach online. Viele Toro Ersatzteile halten wir ständig in unserem Lager für Sie bereit.


Qualitätsmanagement
Informieren Sie uns, wenn Sie einen Fehler gefunden haben.


