Toro 07-36TL04 - 36" Tiller, 1990 TILLER-36 IN. (92 CM) VEHICLE IDENTIFICATION NUMBER 07-36TL04 #1 Ersatzteile
TILLER-36 IN. (92 CM) VEHICLE IDENTIFICATION NUMBER 07-36TL04 #1 07-36TL04 - Toro 36" Tiller, 1990

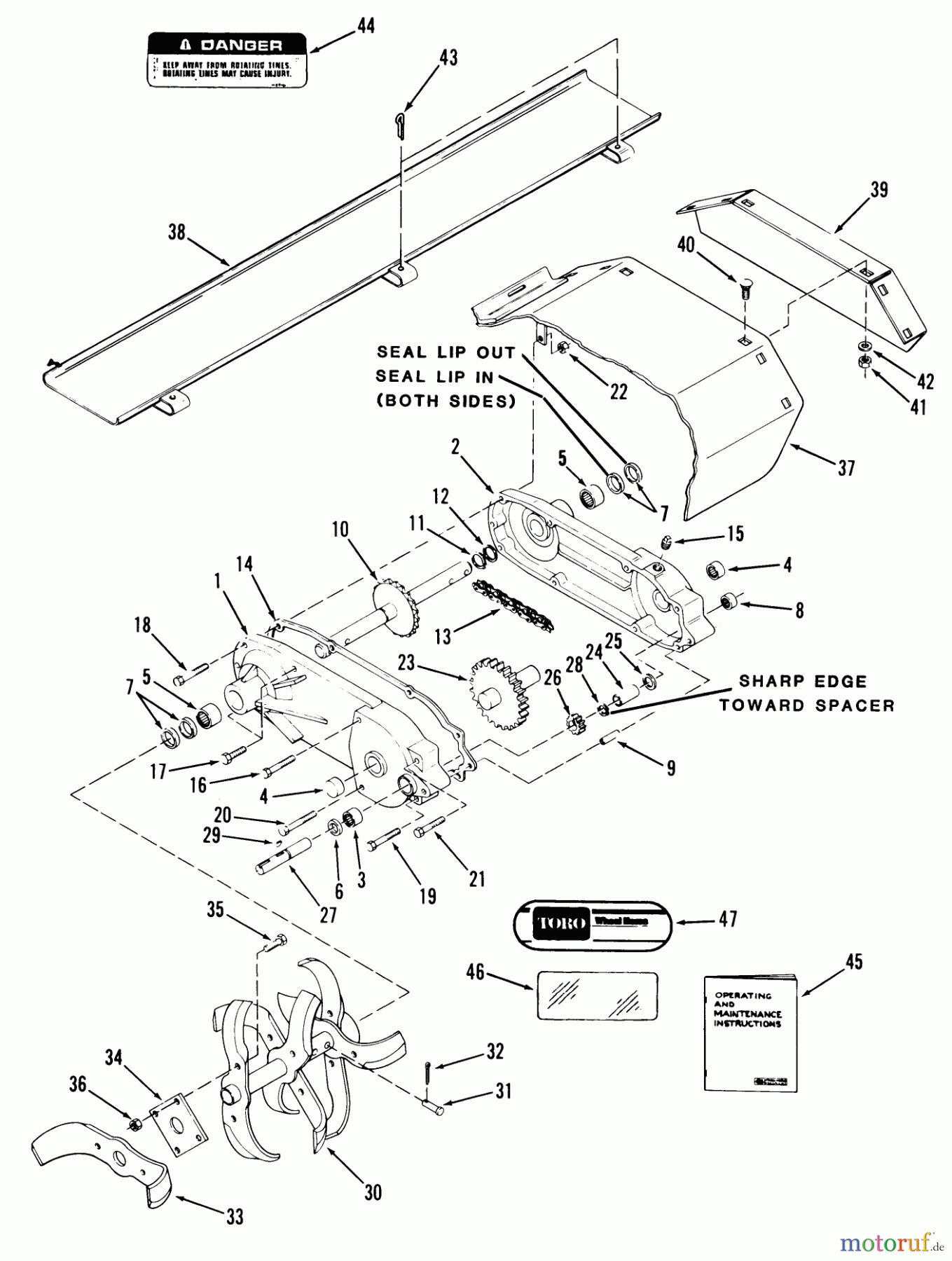
Hier finden Sie die Ersatzteilzeichnung für Toro Neu Accessories, Tiller/Cultivator 07-36TL04 - Toro 36" Tiller, 1990 TILLER-36 IN. (92 CM) VEHICLE IDENTIFICATION NUMBER 07-36TL04 #1. Wählen Sie das benötigte Ersatzteil aus der Ersatzteilliste Ihres Toro Gerätes aus und bestellen Sie einfach online. Viele Toro Ersatzteile halten wir ständig in unserem Lager für Sie bereit.


Qualitätsmanagement
Informieren Sie uns, wenn Sie einen Fehler gefunden haben.

