Rasenmäher Antrieb ENGINE ASSEMBLY Ersatzteile
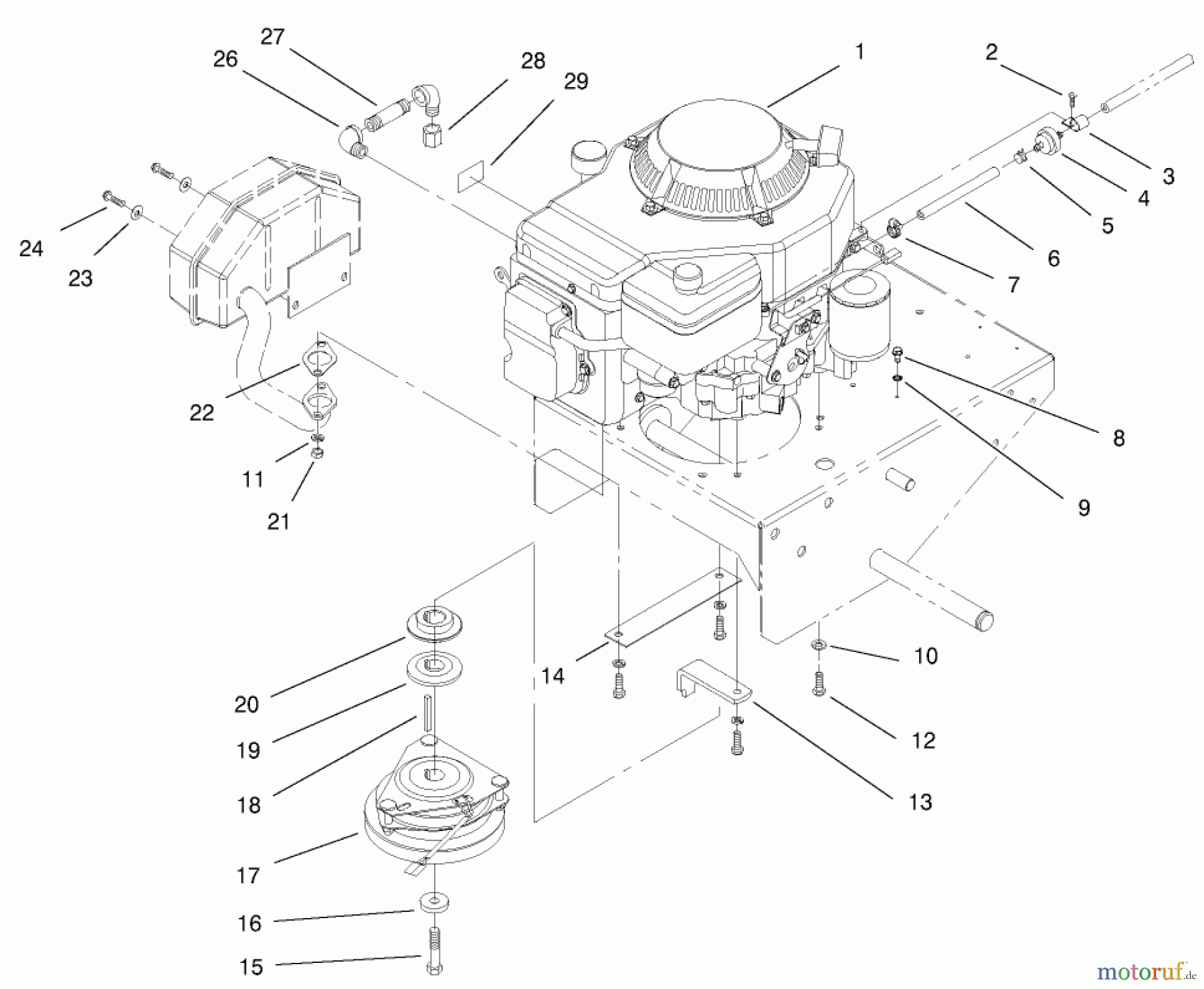
ENGINE ASSEMBLY 30159 - Toro Mid-Size ProLine Traction Unit, Gear Drive, 13 hp (SN: 200000001 - 200999999) (2000)

Hier finden Sie die Ersatzteilzeichnung für Rasenmäher Antrieb 30159 - Toro Mid-Size ProLine Traction Unit, Gear Drive, 13 hp (SN: 200000001 - 200999999) (2000) ENGINE ASSEMBLY. Wählen Sie das benötigte Ersatzteil aus der Ersatzteilliste Ihres Rasenmäher Antrieb Gerätes aus und bestellen Sie einfach online. Viele Rasenmäher Antrieb Ersatzteile halten wir ständig in unserem Lager für Sie bereit.



