Einkaufswagen
Mein Konto

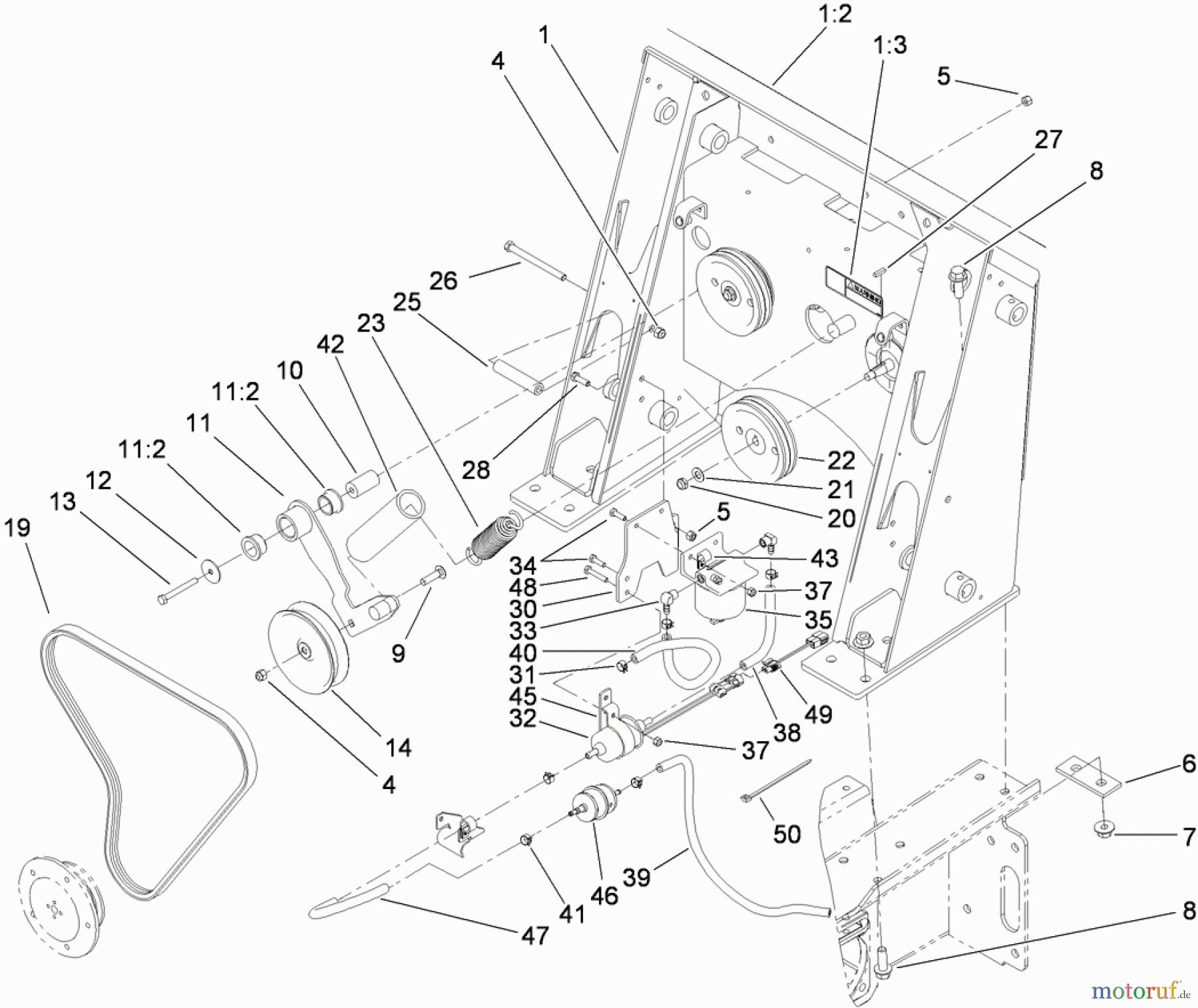
Compact Utility Loaders LOADER TOWER, FUEL PUMP AND DRIVE ASSEMBLY Ersatzteile

LOADER TOWER, FUEL PUMP AND DRIVE ASSEMBLY 22320 - Toro Dingo TX 525 Wide Track Compact Utility Loader (SN: 280000501 - 280999999) (2008)

 Compact Utility Loaders 22320 - Toro Dingo TX 525 Wide Track Compact Utility Loader (SN: 280000501 - 280999999) (2008) LOADER TOWER, FUEL PUMP AND DRIVE ASSEMBLY

Hier finden Sie die Ersatzteilzeichnung für Compact Utility Loaders 22320 - Toro Dingo TX 525 Wide Track Compact Utility Loader (SN: 280000501 - 280999999) (2008) LOADER TOWER, FUEL PUMP AND DRIVE ASSEMBLY. Wählen Sie das benötigte Ersatzteil aus der Ersatzteilliste Ihres Compact Utility Loaders Gerätes aus und bestellen Sie einfach online. Viele Compact Utility Loaders Ersatzteile halten wir ständig in unserem Lager für Sie bereit.

Rasen
Bankeinzug, MasterCard, Visa, American Express, PayPal, Nachnahme, Vorauskasse, Sofortüberweisung
Qualitätsmanagement
Informieren Sie uns, wenn Sie einen Fehler gefunden haben.