Zubehör HYDRAULIC VARIABLE PUMP ASSEMBLY NO. AU239918A1 Ersatzteile
HYDRAULIC VARIABLE PUMP ASSEMBLY NO. AU239918A1 25400 - Toro Pro Sneak 360 Vibratory Plow (SN: 314000001 - 314999999) (2014)

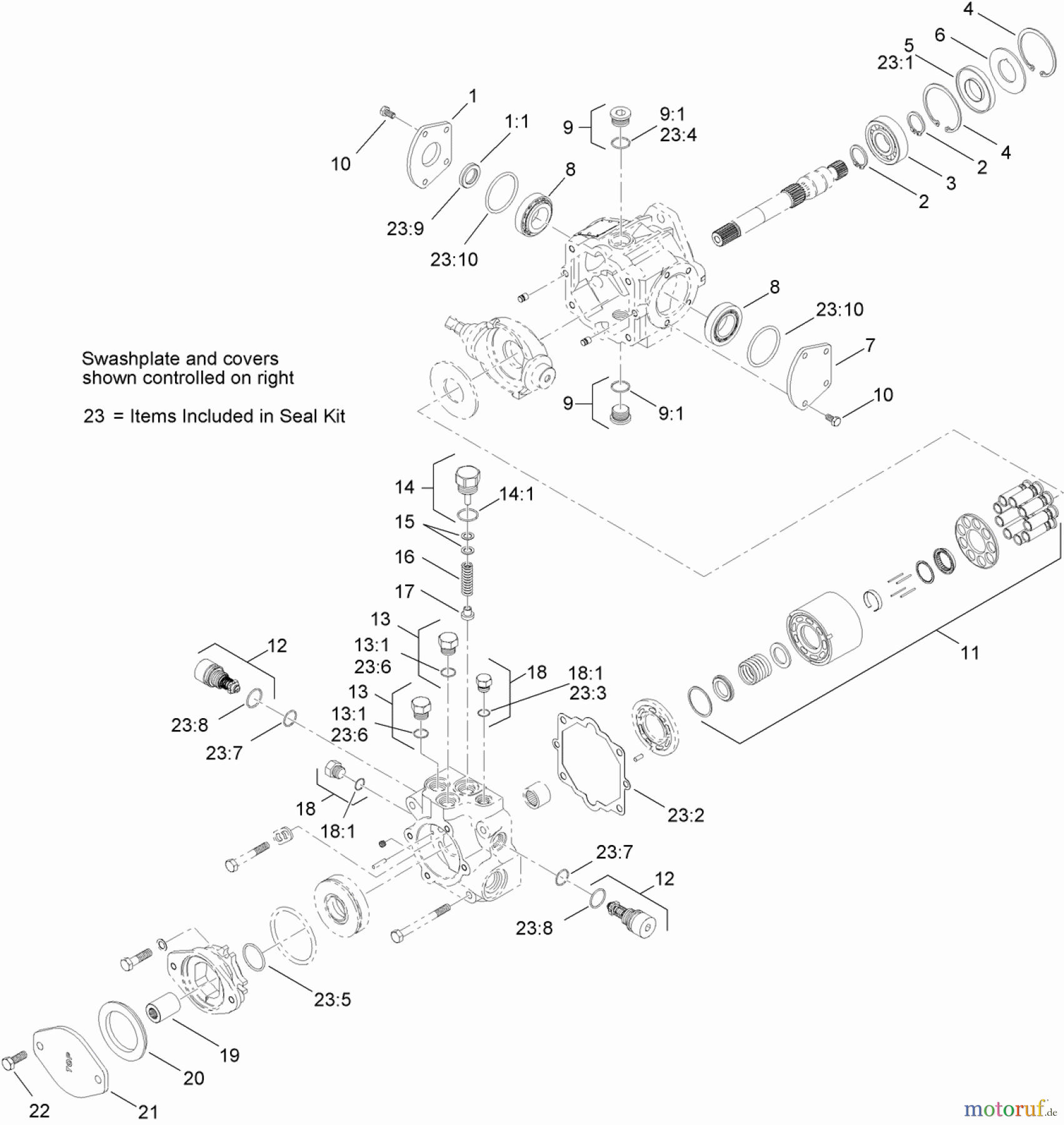
Hier finden Sie die Ersatzteilzeichnung für Zubehör 25400 - Toro Pro Sneak 360 Vibratory Plow (SN: 314000001 - 314999999) (2014) HYDRAULIC VARIABLE PUMP ASSEMBLY NO. AU239918A1. Wählen Sie das benötigte Ersatzteil aus der Ersatzteilliste Ihres Zubehör Gerätes aus und bestellen Sie einfach online. Viele Zubehör Ersatzteile halten wir ständig in unserem Lager für Sie bereit.
| BildNr | Artikel Nummer | Bezeichnung | |
| 1 | TR110-6499 | TRUNNION COVER ASM | |
| 1:1 | TR110-6478 | SEAL-LIP | |
| 2 | TR69-3170 | Seegerring | |
| 3 | TR75-0460 | Lager | |
| 4 | TR69-3200 | Seegerring | |
| 5 | TR110-6471 | SEAL-LIP | |
| 6 | TR95-4400 | WASHER-BACKUP | |
| 7 | TR84-0440 | DECKEL | |
| 8 | TR110-6483 | BEARING KIT | |
| 9 | TR69-3130 | Kontrollstopfen | |
| 9:1 | TR | ||
| 10 | TR112-0151 | ||
| 11 | TR127-6247 | ||
| 12 | TR127-6228 | ||
| 13 | TR88-8210 | STOPFEN | |
| 13:1 | TR237-80 | O-RING | |
| 14 | TR110-6486 | PLUG-RELIEF, CHARGE | |
| 14:1 | TR28-3570 | O-Ring | |
| 15 | TR92-1353 | Ausgleichsscheibe | |
| 16 | TR110-6474 | SPRING | |
| 17 | TR84-0480 | Ventil | |
| 18 | TR94-9415 | Stopfen | |
| 18:1 | TR | ||
| 19 | TR127-6226 | ||
| 20 | TR107-4377 | SEAL-A, PAD | |
| 21 | TR107-4378 | COVER | |
| 22 | TR69-3400 | SCREW | |
| 23 | TR910643 | ||
| 23:1 | TR | ||
| 23:2 | TR | ||
| 23:3 | TR | ||
| 23:4 | TR | ||
| 23:5 | TR | ||
| 23:6 | TR | ||
| 23:7 | TR | ||
| 23:8 | TR | ||
| 23:9 | TR | ||
| 23:10 | TR | ||



