Snapper 4150 - Walk-Behind Trimmer 4150R.T. Engine And Clutch Assembly Ersatzteile
4150R.T. Engine And Clutch Assembly 4150 - Snapper Walk-Behind Trimmer

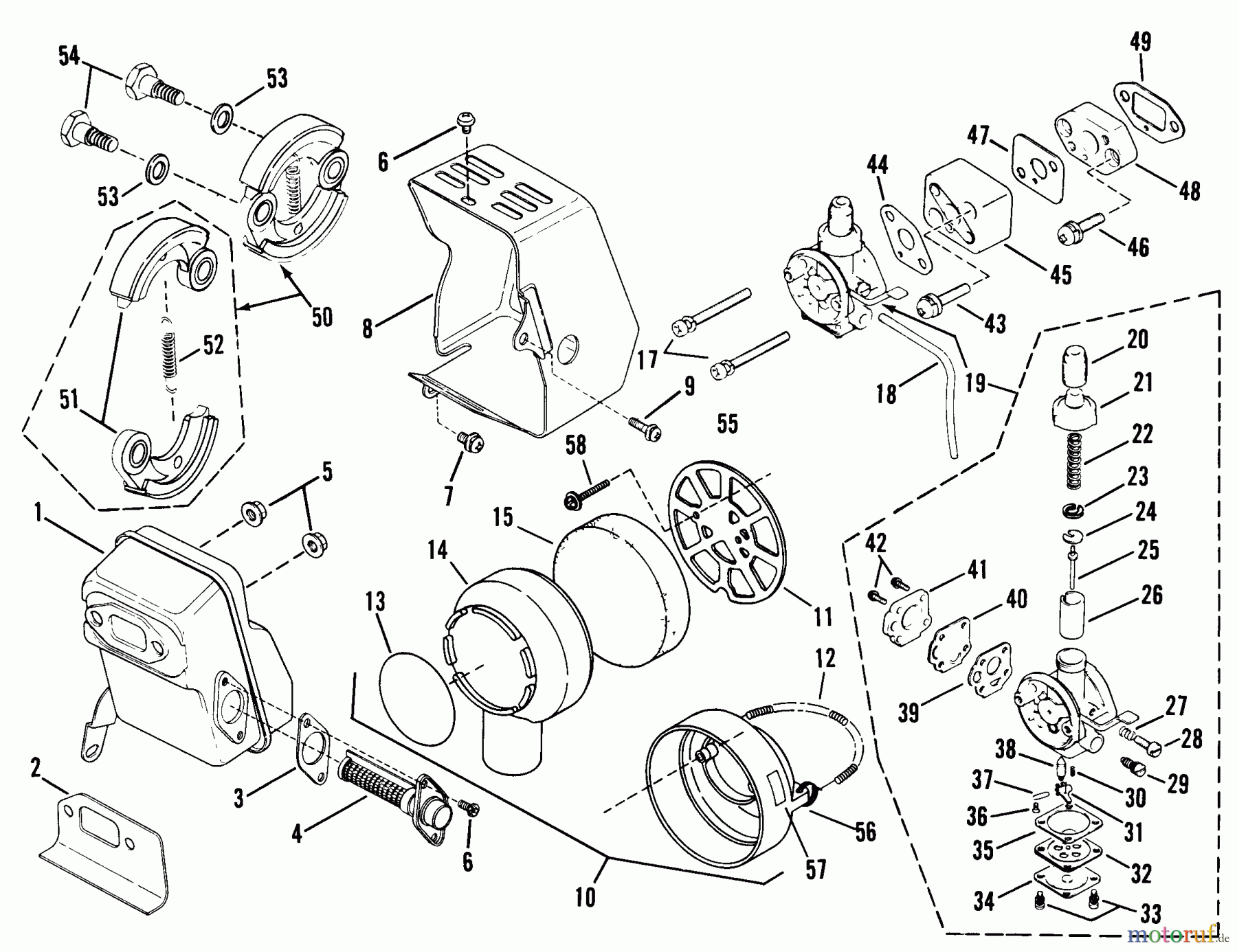
Hier finden Sie die Ersatzteilzeichnung für Snapper Trimmer 4150 - Snapper Walk-Behind Trimmer 4150R.T. Engine And Clutch Assembly. Wählen Sie das benötigte Ersatzteil aus der Ersatzteilliste Ihres Snapper Gerätes aus und bestellen Sie einfach online. Viele Snapper Ersatzteile halten wir ständig in unserem Lager für Sie bereit.
| BildNr | Artikel Nummer | Bezeichnung | |
| 1 | BS7044240 | ||
| 2 | BS7044088 | ||
| 3 | BS7044241YP | GASKET ## | |
| 4 | BS7044242 | ||
| 5 | BS7044091 | ||
| 6 | BS7044093 | ||
| 7 | BS7044095 | ||
| 8 | BS44293 | ||
| 9 | BS7044104 | ||
| 10 | BS7044258 | ||
| 11 | BS7044285YP | SPRING ## | |
| 12 | BS7044199 | ||
| 13 | BS23631 | ||
| 14 | BS7044287 | ||
| 15 | BS7044288 | ||
| 16 | BS7044087YP | SCREW & WASHER ## | |
| 17 | BS7044056 | ||
| 18 | BS7044054 | ||
| 19 | BS7044055 | ||
| 20 | BS7044057 | ||
| 21 | BS7044058 | ||
| 22 | BS7044059YP | SPRING, THROTTLE | |
| 23 | BS7044012YP | CLIP, NEEDLE ## | |
| 24 | BS7044060 | ||
| 25 | BS7044061 | ||
| 26 | BS7044062 | ||
| 27 | BS7044063 | ||
| 28 | BS7044064YP | SCREW, THROTTLE ADJ. | |
| 29 | BS7044065YP | JET NEEDLE ASSY. ## | |
| 30 | BS7044066 | ||
| 31 | BS7044074YP | ARM, FLOAT ## | |
| 32 | BS7044068 | ||
| 33 | BS7044078 | ||
| 34 | BS7044077 | ||
| 35 | BS7044067 | ||
| 36 | BS7044076 | ||
| 37 | BS7044075 | ||
| 38 | BS7044073 | ||
| 39 | BS7044072YP | GASKET, PUMP COVER | |
| 40 | BS7044071YP | DIAPHRAGM, PUMP # | |
| 41 | BS7044070 | ||
| 42 | BS7044069 | ||
| 43 | BS7044053 | ||
| 44 | BS7044051YP | GASKET, CARBURETOR | |
| 45 | BS7044050 | ||
| 46 | BS7044052 | ||
| 47 | BS7044049 | ||
| 48 | BS7044048 | ||
| 49 | BS7044047YP | GASKET, CARBURETOR | |
| 50 | BS7044098YP | CLUTCH ASSY. ## | |
| 51 | BS7044099 | ||
| 52 | BS7044100 | ||
| 53 | BS7044097 | ||
| 54 | BS7044096 | ||
| 55 | BS7044289 | ||
| 56 | BS7044206 | ||
| 57 | BS44291 | ||
| 58 | BS7044205YP | SCREW & WASHER | |



