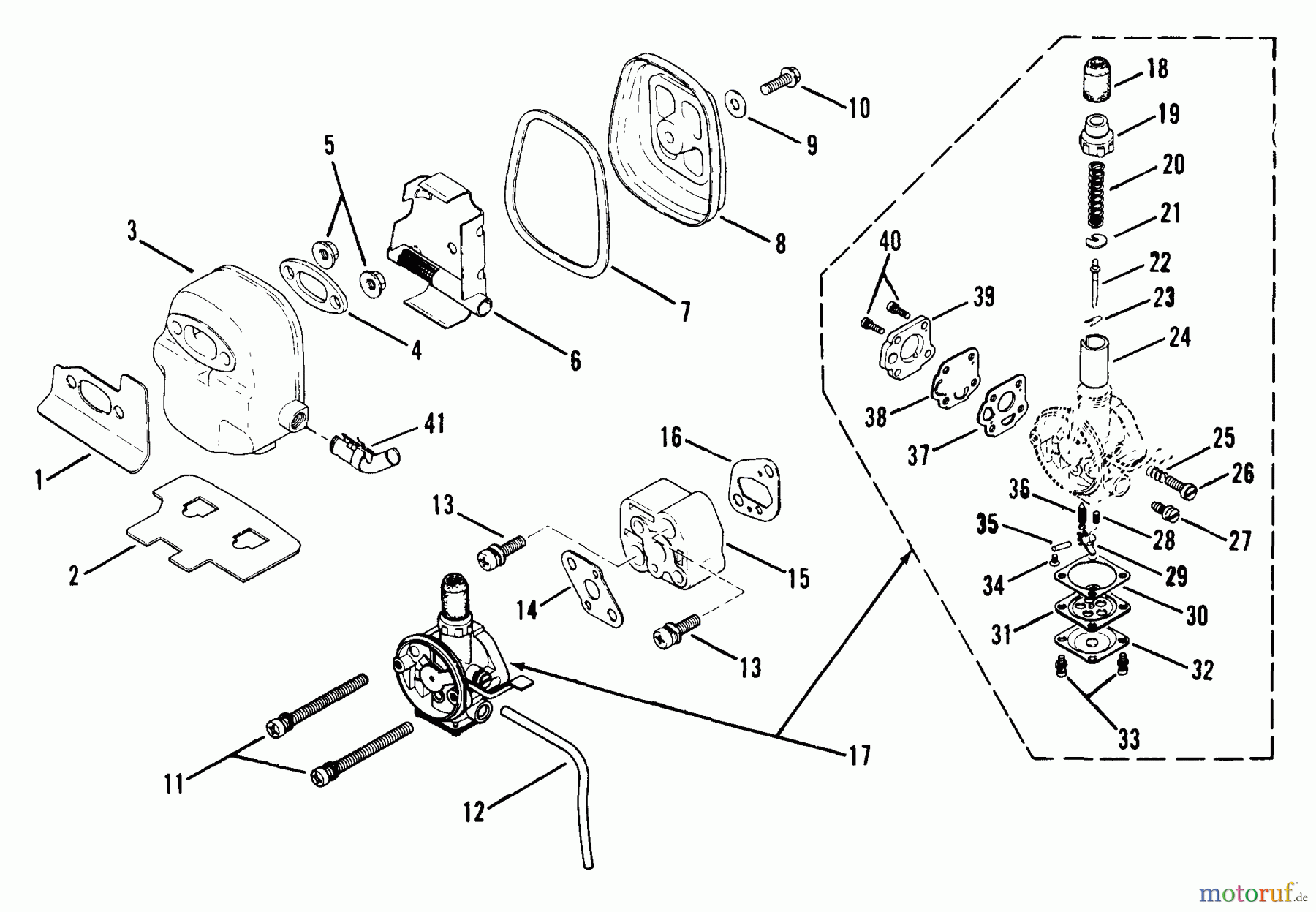
Snapper 2450 - Walk-Behind Trimmer 2450R.T. Carburetor And Primer Pump Ersatzteile
2450R.T. Carburetor And Primer Pump 2450 - Snapper Walk-Behind Trimmer

Hier finden Sie die Ersatzteilzeichnung für Snapper Trimmer 2450 - Snapper Walk-Behind Trimmer 2450R.T. Carburetor And Primer Pump. Wählen Sie das benötigte Ersatzteil aus der Ersatzteilliste Ihres Snapper Gerätes aus und bestellen Sie einfach online. Viele Snapper Ersatzteile halten wir ständig in unserem Lager für Sie bereit.


Qualitätsmanagement
Informieren Sie uns, wenn Sie einen Fehler gefunden haben.

