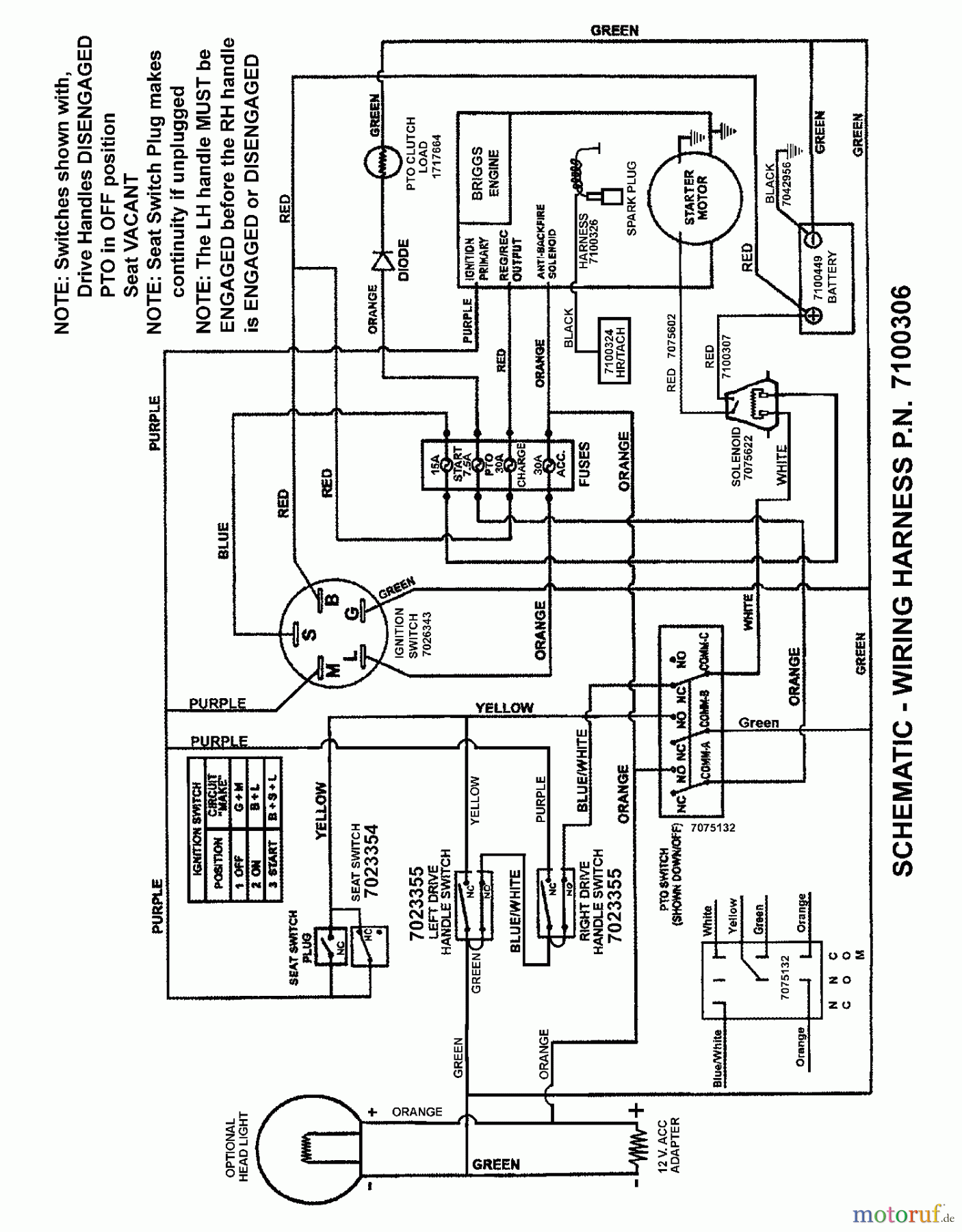
Snapper RZT22501BVE2 (7800153) - 50" Zero-Turn Mower, 22 HP, Twin Stick, RZT Series 1 WIRING SCHEMATIC (Briggs Engine) Ersatzteile
WIRING SCHEMATIC (Briggs Engine) RZT22501BVE2 (7800153) - Snapper 50" Zero-Turn Mower, 22 HP, Twin Stick, RZT Series 1

Hier finden Sie die Ersatzteilzeichnung für Snapper Nullwendekreismäher, Zero-Turn RZT22501BVE2 (7800153) - Snapper 50" Zero-Turn Mower, 22 HP, Twin Stick, RZT Series 1 WIRING SCHEMATIC (Briggs Engine). Wählen Sie das benötigte Ersatzteil aus der Ersatzteilliste Ihres Snapper Gerätes aus und bestellen Sie einfach online. Viele Snapper Ersatzteile halten wir ständig in unserem Lager für Sie bereit.
| BildNr | Artikel Nummer | Bezeichnung | |
| BS7100306SM | |||



