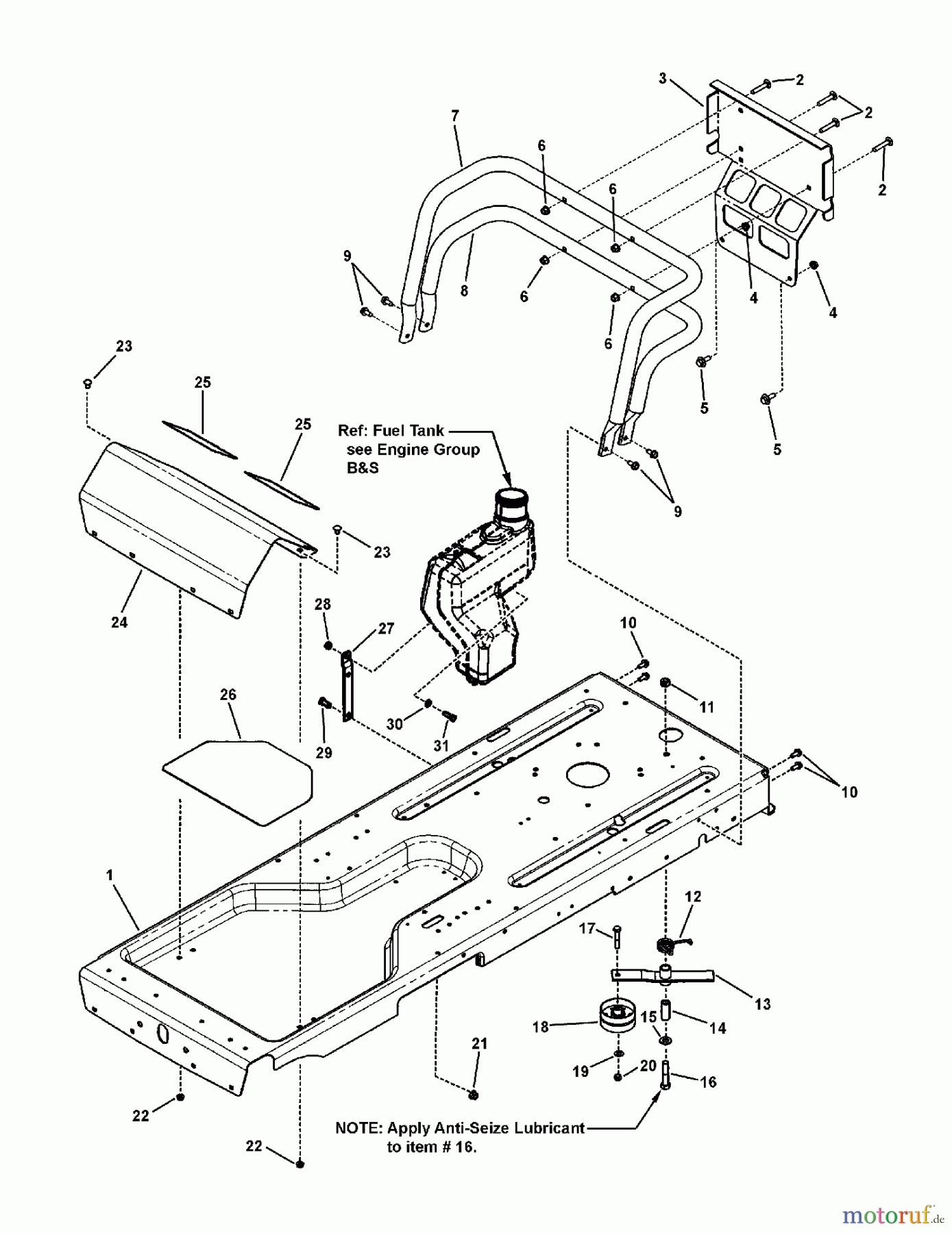
Snapper RZT21420 (7800795) - 42" Zero-Turn Mower, 21 HP, RZT Twin Stick Series 285Z Frame Assembly & Rear Bumper Group Ersatzteile
Frame Assembly & Rear Bumper Group RZT21420 (7800795) - Snapper 42" Zero-Turn Mower, 21 HP, RZT Twin Stick Series 285Z

Hier finden Sie die Ersatzteilzeichnung für Snapper Nullwendekreismäher, Zero-Turn RZT21420 (7800795) - Snapper 42" Zero-Turn Mower, 21 HP, RZT Twin Stick Series 285Z Frame Assembly & Rear Bumper Group. Wählen Sie das benötigte Ersatzteil aus der Ersatzteilliste Ihres Snapper Gerätes aus und bestellen Sie einfach online. Viele Snapper Ersatzteile halten wir ständig in unserem Lager für Sie bereit.


Qualitätsmanagement
Informieren Sie uns, wenn Sie einen Fehler gefunden haben.



