Snapper 500ZB2648 (5900731) - 48" Zero-Turn Mower, ZTR 500Z Series Wiring Schematic - 500Z Series Ersatzteile
Wiring Schematic - 500Z Series 500ZB2648 (5900731) - Snapper 48" Zero-Turn Mower, ZTR 500Z Series

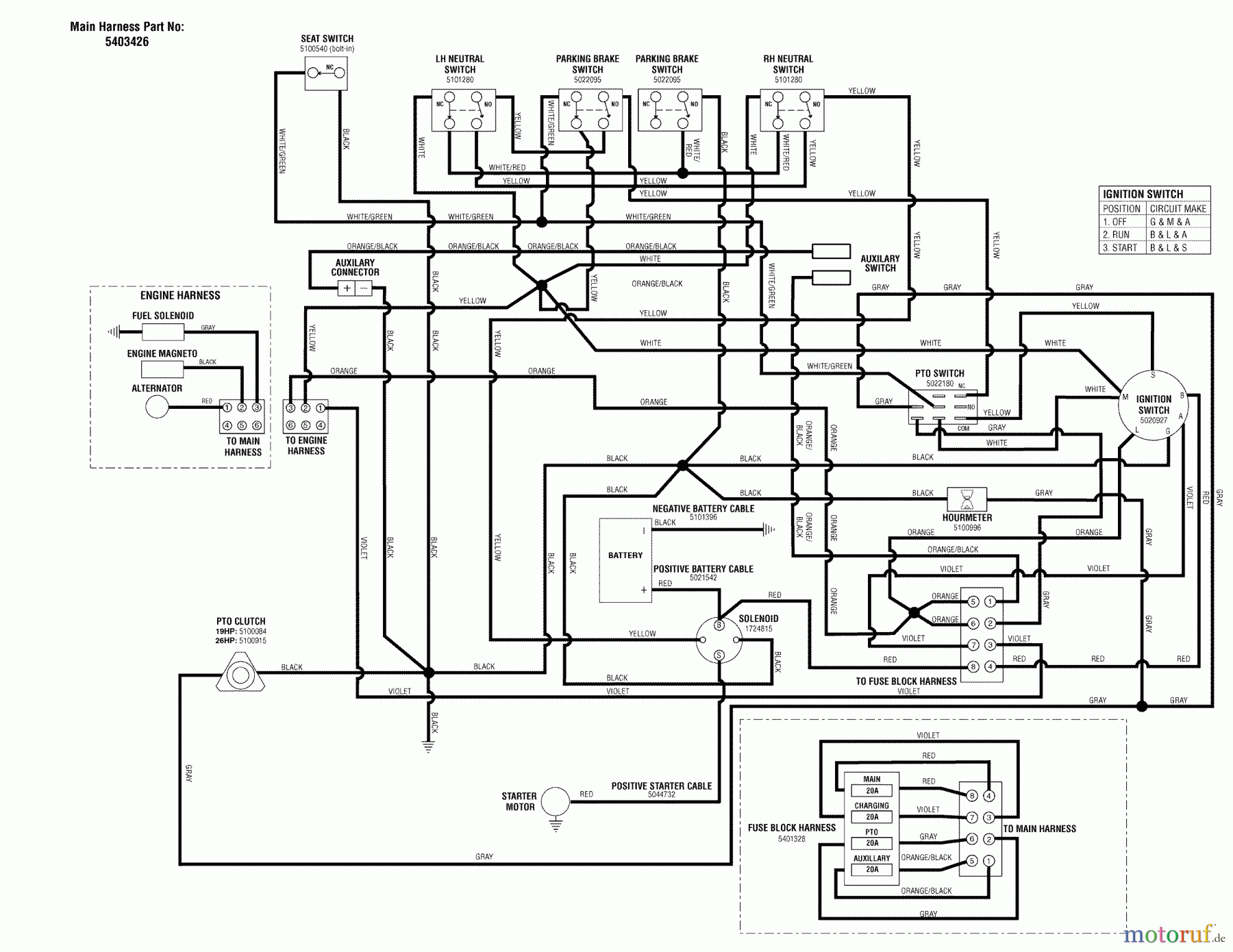
Hier finden Sie die Ersatzteilzeichnung für Snapper Nullwendekreismäher, Zero-Turn 500ZB2648 (5900731) - Snapper 48" Zero-Turn Mower, ZTR 500Z Series Wiring Schematic - 500Z Series. Wählen Sie das benötigte Ersatzteil aus der Ersatzteilliste Ihres Snapper Gerätes aus und bestellen Sie einfach online. Viele Snapper Ersatzteile halten wir ständig in unserem Lager für Sie bereit.
| BildNr | Artikel Nummer | Bezeichnung | |
| -- | BS5403426YP | WIRE HARNESS, MAIN, S | |


Qualitätsmanagement
Informieren Sie uns, wenn Sie einen Fehler gefunden haben.

