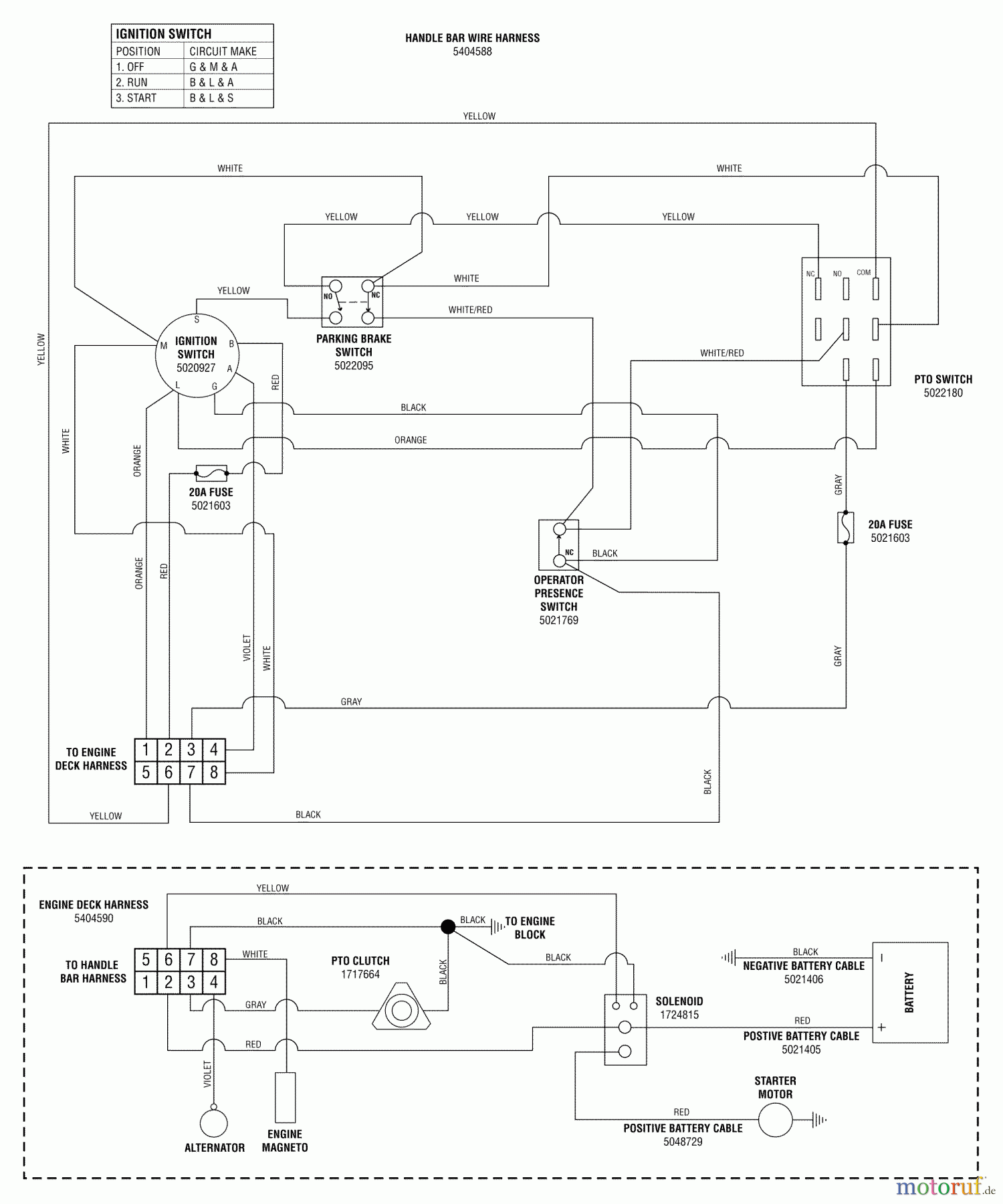
Snapper HC32RDKAV13ECE (5900846) - 32" Wide-Area Walk-Behind Mower, 13 HP, Rear Discharge, Hydro Drive Electrical Schematic - Electric Start (S/N: 2013316440 & Above) Ersatzteile
Electrical Schematic - Electric Start (S/N: 2013316440 & Above) HC32RDKAV13ECE (5900846) - Snapper 32" Wide-Area Walk-Behind Mower, 13 HP, Rear Discharge, Hydro Drive

Hier finden Sie die Ersatzteilzeichnung für Snapper Rasenmäher für Großflächen HC32RDKAV13ECE (5900846) - Snapper 32" Wide-Area Walk-Behind Mower, 13 HP, Rear Discharge, Hydro Drive Electrical Schematic - Electric Start (S/N: 2013316440 & Above). Wählen Sie das benötigte Ersatzteil aus der Ersatzteilliste Ihres Snapper Gerätes aus und bestellen Sie einfach online. Viele Snapper Ersatzteile halten wir ständig in unserem Lager für Sie bereit.


Qualitätsmanagement
Informieren Sie uns, wenn Sie einen Fehler gefunden haben.

