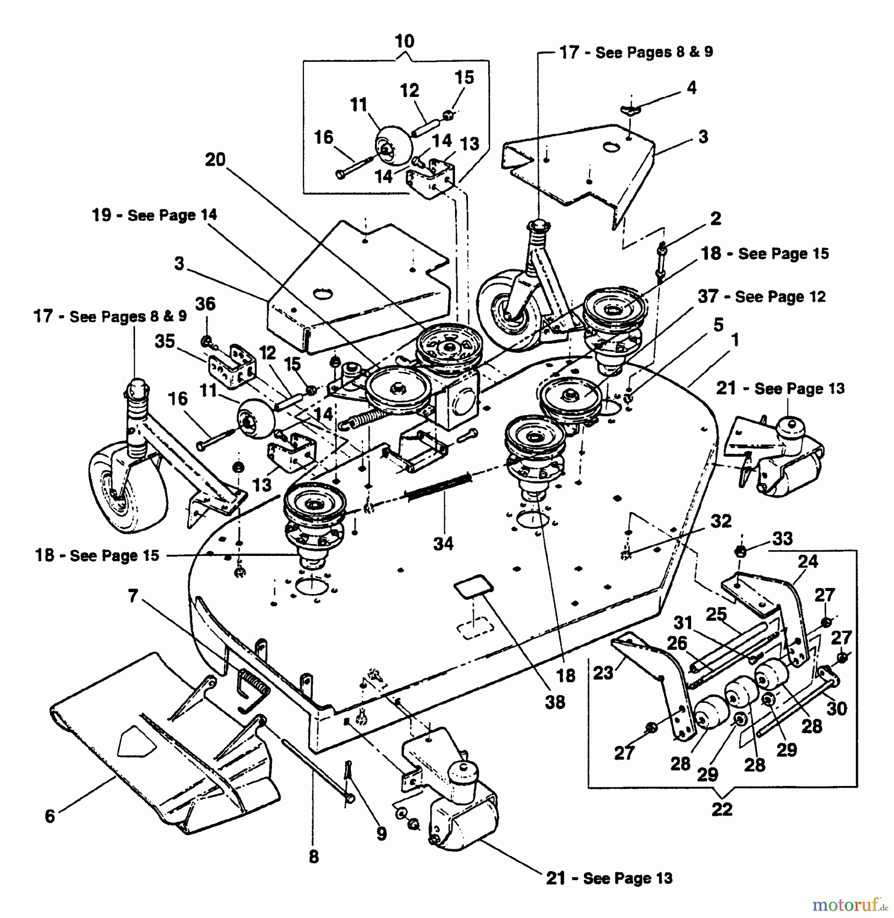
Snapper ZF7302M - 73" Out Front Mower, Commercial Lawn & Turf Series 2 73" OFZ Mower Deck Assembly Ersatzteile
73" OFZ Mower Deck Assembly ZF7302M - Snapper 73" Out Front Mower, Commercial Lawn & Turf Series 2

Hier finden Sie die Ersatzteilzeichnung für Snapper Mähdecks ZF7302M - Snapper 73" Out Front Mower, Commercial Lawn & Turf Series 2 73" OFZ Mower Deck Assembly. Wählen Sie das benötigte Ersatzteil aus der Ersatzteilliste Ihres Snapper Gerätes aus und bestellen Sie einfach online. Viele Snapper Ersatzteile halten wir ständig in unserem Lager für Sie bereit.



