Einstellungen Computer

Snapper Z4102M - 41" Deck, Mid Mount ZTR, Series 2 41" Deck Assembly Ersatzteile

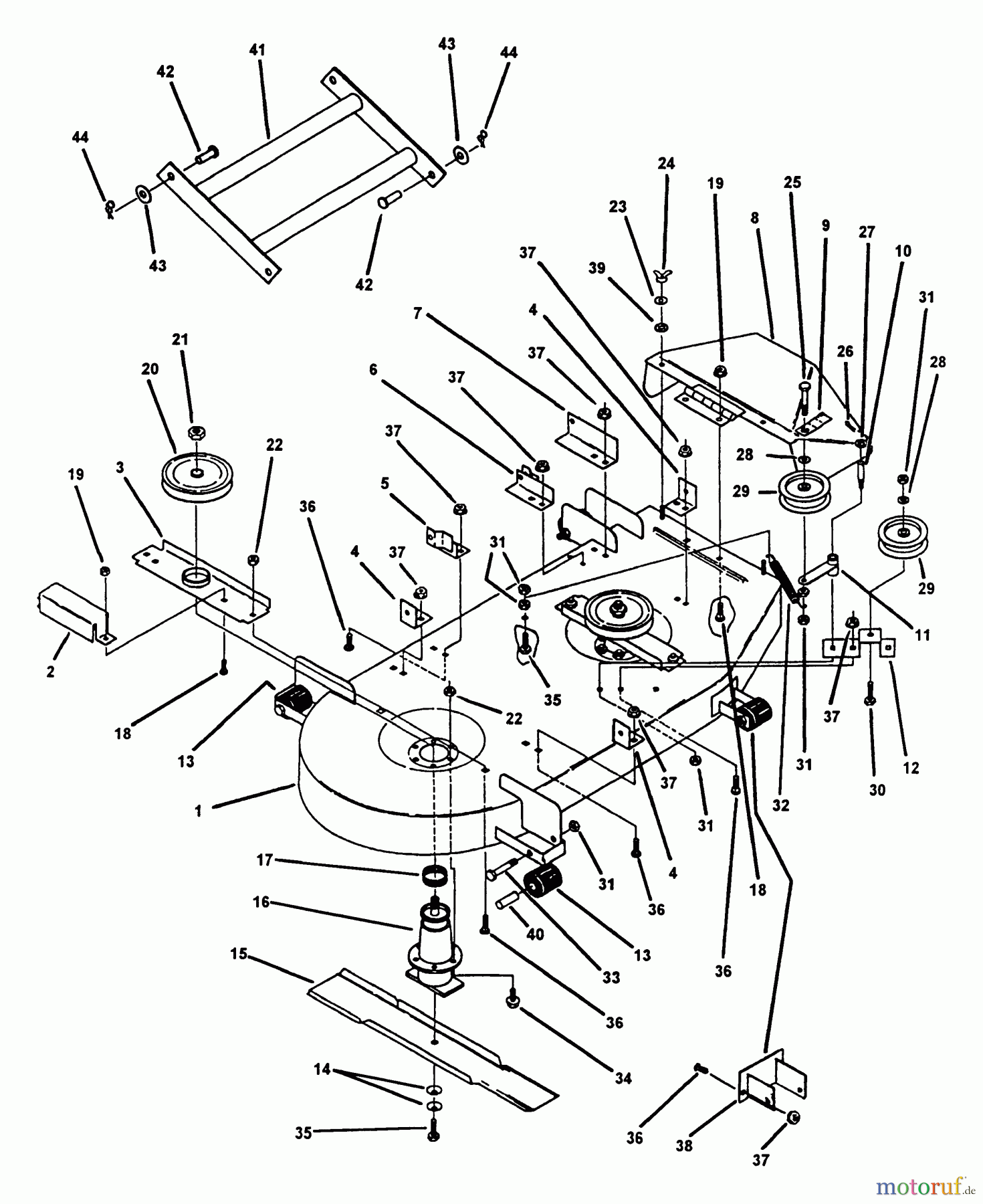
41" Deck Assembly Z4102M - Snapper 41" Deck, Mid Mount ZTR, Series 2

 Snapper Mähdecks Z4102M - Snapper 41

Hier finden Sie die Ersatzteilzeichnung für Snapper Mähdecks Z4102M - Snapper 41" Deck, Mid Mount ZTR, Series 2 41" Deck Assembly. Wählen Sie das benötigte Ersatzteil aus der Ersatzteilliste Ihres Snapper Gerätes aus und bestellen Sie einfach online. Viele Snapper Ersatzteile halten wir ständig in unserem Lager für Sie bereit.

Rasen
Bankeinzug, MasterCard, Visa, American Express, PayPal, Nachnahme, Vorauskasse, Sofortüberweisung
Datenschutzerklärung Impressum
Qualitätsmanagement
Informieren Sie uns, wenn Sie einen Fehler gefunden haben.