Einstellungen Computer

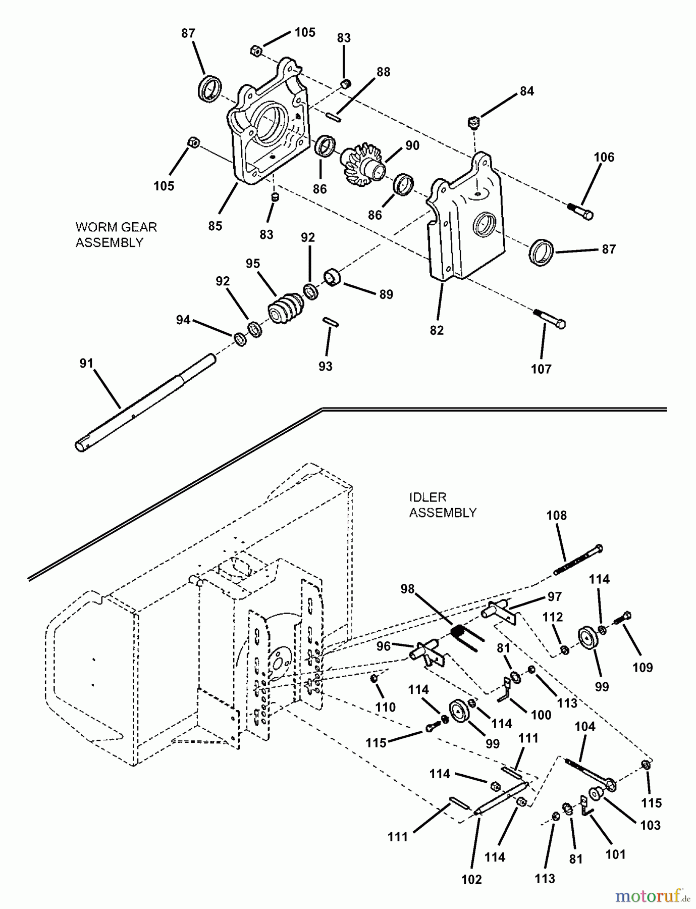
Snapper 7063004 - 40" Two Stage Snowblower Kit (RAD) PRO Two Stage Snowblower 40" (Part 4) Ersatzteile

Two Stage Snowblower 40" (Part 4) 7063004 - Snapper 40" Two Stage Snowblower Kit (RAD) PRO

 Snapper Zubehör. Rasenmäher 7063004 - Snapper 40

Hier finden Sie die Ersatzteilzeichnung für Snapper Zubehör. Rasenmäher 7063004 - Snapper 40" Two Stage Snowblower Kit (RAD) PRO Two Stage Snowblower 40" (Part 4). Wählen Sie das benötigte Ersatzteil aus der Ersatzteilliste Ihres Snapper Gerätes aus und bestellen Sie einfach online. Viele Snapper Ersatzteile halten wir ständig in unserem Lager für Sie bereit.

Rasen
Bankeinzug, MasterCard, Visa, American Express, PayPal, Nachnahme, Vorauskasse, Sofortüberweisung
Datenschutzerklärung Impressum