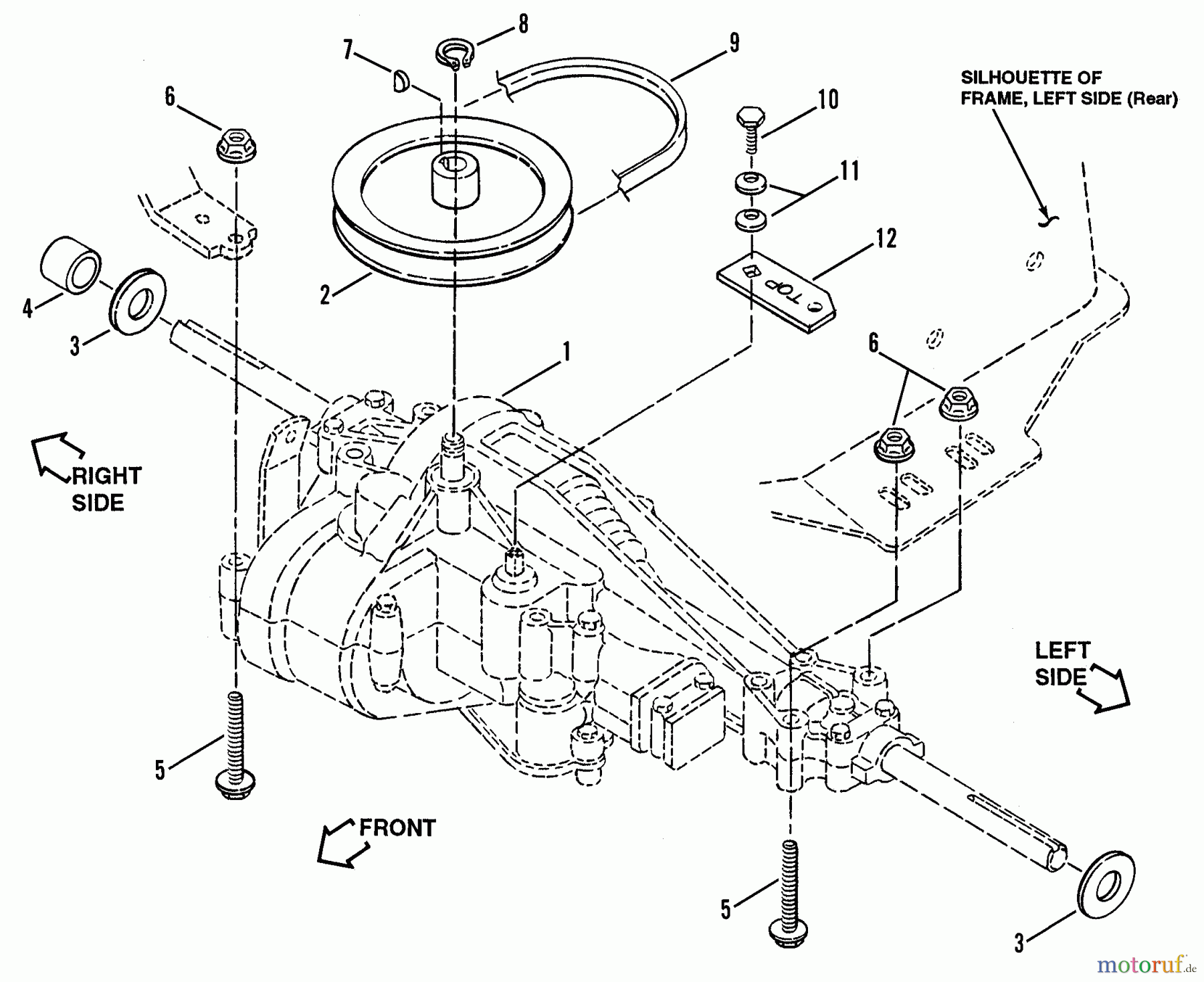
Snapper 7060947 - Bag N-Wagon, 30 Bushel BH120G38AB (80479) 38" 12 HP Gear Drive BH Tractor Series A Transmission Group Ersatzteile
Transmission Group BH120G38AB (80479) 38" 12 HP Gear Drive BH Tractor Series A

Hier finden Sie die Ersatzteilzeichnung für Snapper Zubehör. Rasenmäher 7060947 - Snapper Bag N-Wagon, 30 Bushel BH120G38AB (80479) 38" 12 HP Gear Drive BH Tractor Series A Transmission Group. Wählen Sie das benötigte Ersatzteil aus der Ersatzteilliste Ihres Snapper Gerätes aus und bestellen Sie einfach online. Viele Snapper Ersatzteile halten wir ständig in unserem Lager für Sie bereit.


Qualitätsmanagement
Informieren Sie uns, wenn Sie einen Fehler gefunden haben.


