Einstellungen Computer

Murray ST6524 (624650x16B) - Frontier 24" Dual Stage Snow Thrower (2007) Shift Yoke Ersatzteile

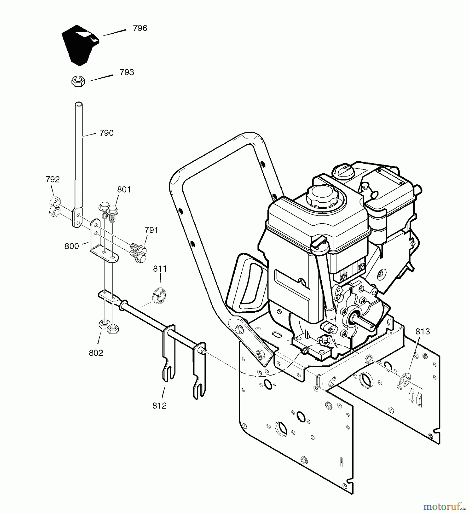
Shift Yoke ST6524 (624650x16B) - Frontier 24" Dual Stage Snow Thrower (2007)

 Murray Schneefräsen ST6524 (624650x16B) - Frontier 24

Hier finden Sie die Ersatzteilzeichnung für Murray Schneefräsen ST6524 (624650x16B) - Frontier 24" Dual Stage Snow Thrower (2007) Shift Yoke. Wählen Sie das benötigte Ersatzteil aus der Ersatzteilliste Ihres Murray Gerätes aus und bestellen Sie einfach online. Viele Murray Ersatzteile halten wir ständig in unserem Lager für Sie bereit.

Rasen
Bankeinzug, MasterCard, Visa, American Express, PayPal, Nachnahme, Vorauskasse, Sofortüberweisung
Datenschutzerklärung Impressum
Qualitätsmanagement
Informieren Sie uns, wenn Sie einen Fehler gefunden haben.