Murray C950-52461-1 - Craftsman 29" Dual Stage Snow Thrower (2005) (Sears) Frame Ersatzteile
Frame C950-52461-1 - Craftsman 29" Dual Stage Snow Thrower (2005) (Sears)

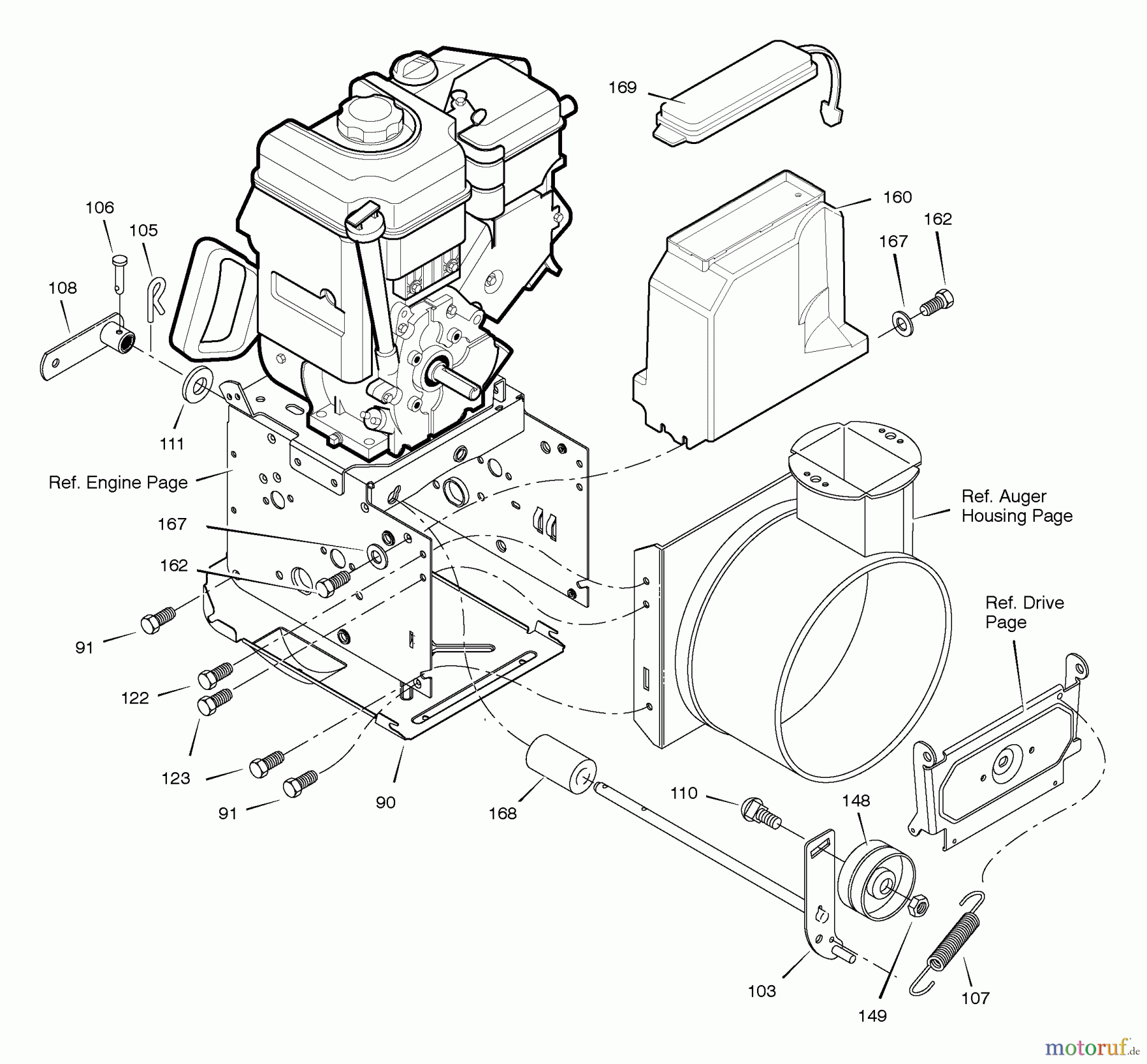
Hier finden Sie die Ersatzteilzeichnung für Murray Schneefräsen C950-52461-1 - Craftsman 29" Dual Stage Snow Thrower (2005) (Sears) Frame. Wählen Sie das benötigte Ersatzteil aus der Ersatzteilliste Ihres Murray Gerätes aus und bestellen Sie einfach online. Viele Murray Ersatzteile halten wir ständig in unserem Lager für Sie bereit.


Qualitätsmanagement
Informieren Sie uns, wenn Sie einen Fehler gefunden haben.



