Murray 1695721 - 33" Dual Stage Snow Thrower (2009) Engine and Frame Group (2988350) Ersatzteile
Engine and Frame Group (2988350) 1695721 - Murray 33" Dual Stage Snow Thrower (2009)

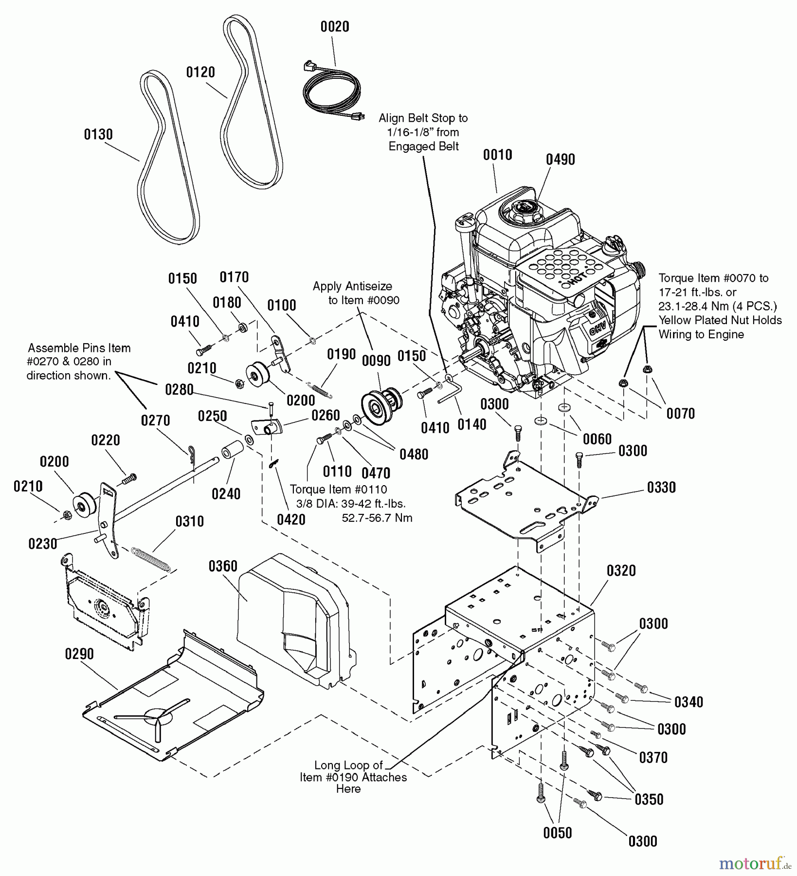
Hier finden Sie die Ersatzteilzeichnung für Murray Schneefräsen 1695721 - Murray 33" Dual Stage Snow Thrower (2009) Engine and Frame Group (2988350). Wählen Sie das benötigte Ersatzteil aus der Ersatzteilliste Ihres Murray Gerätes aus und bestellen Sie einfach online. Viele Murray Ersatzteile halten wir ständig in unserem Lager für Sie bereit.







