Murray 309300x30A - 30" Mid-Engine Rider (2003) Steering Ersatzteile
Steering 309300x30A - Murray 30" Mid-Engine Rider (2003)

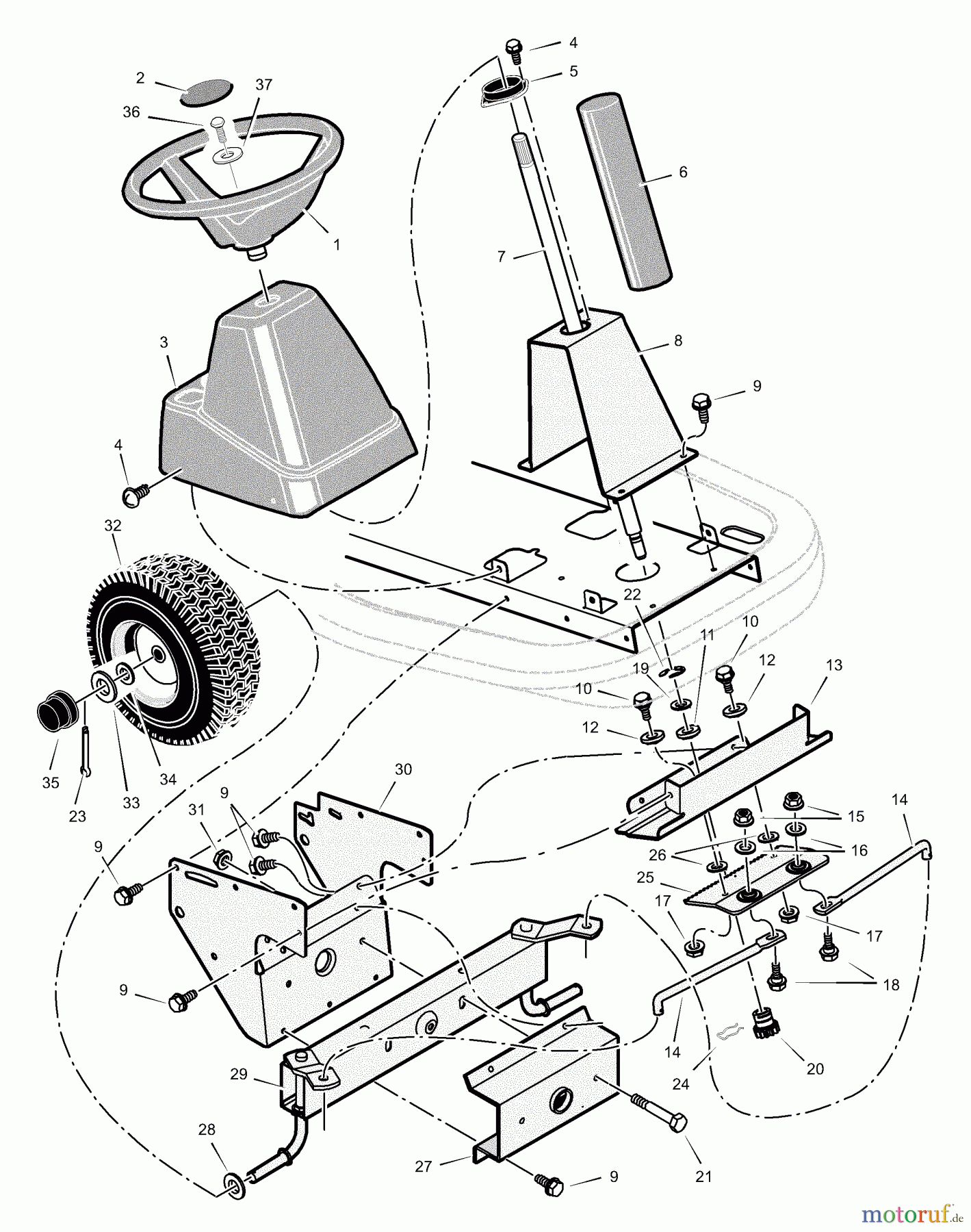
Hier finden Sie die Ersatzteilzeichnung für Murray Reitermäher 309300x30A - Murray 30" Mid-Engine Rider (2003) Steering. Wählen Sie das benötigte Ersatzteil aus der Ersatzteilliste Ihres Murray Gerätes aus und bestellen Sie einfach online. Viele Murray Ersatzteile halten wir ständig in unserem Lager für Sie bereit.


Qualitätsmanagement
Informieren Sie uns, wenn Sie einen Fehler gefunden haben.



