Murray G4318030 - 43" Lawn Tractor (1997) Frame Assembly Ersatzteile
Frame Assembly G4318030 - Murray 43" Lawn Tractor (1997)

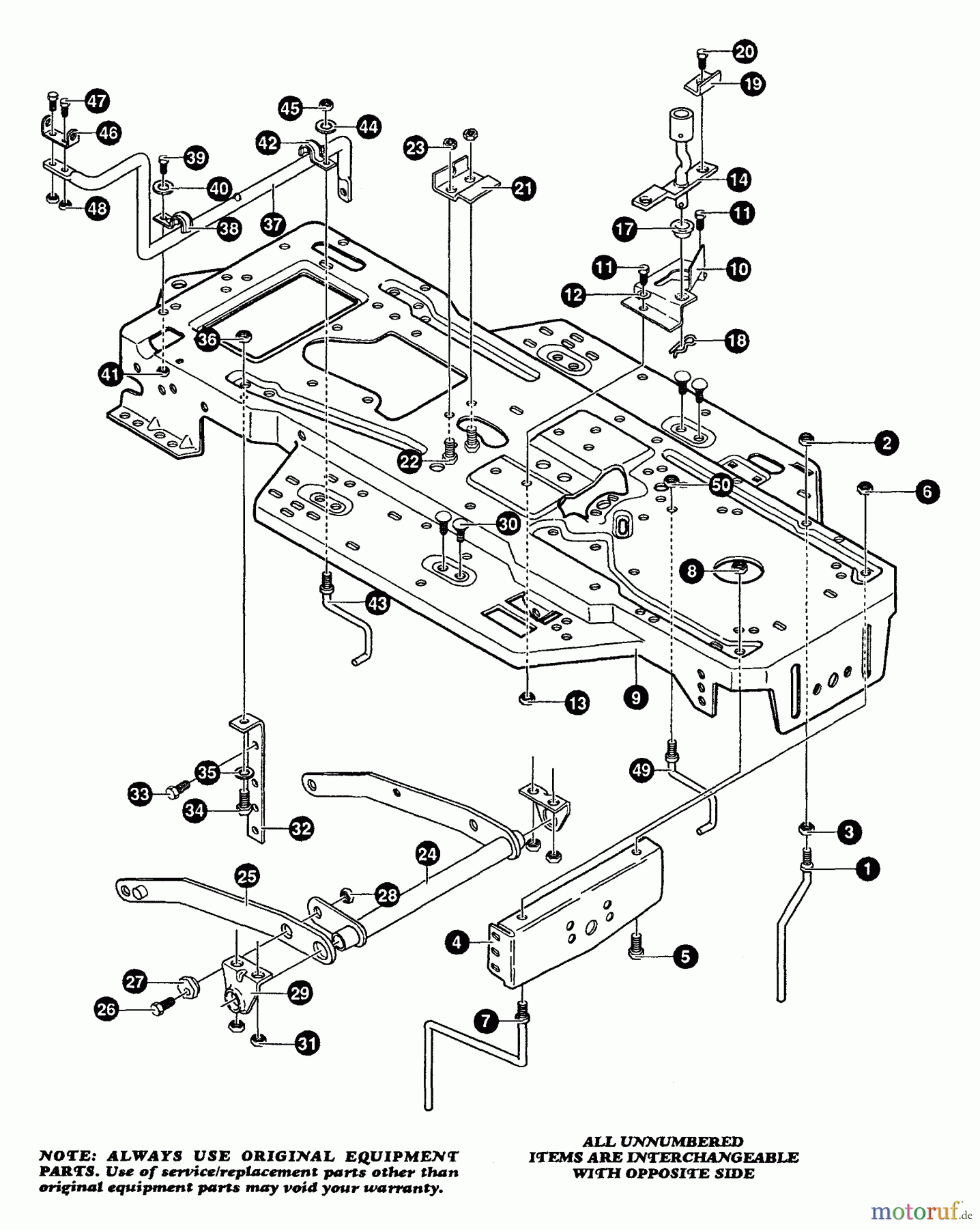
Hier finden Sie die Ersatzteilzeichnung für Murray Rasen- und Gartentraktoren G4318030 - Murray 43" Lawn Tractor (1997) Frame Assembly. Wählen Sie das benötigte Ersatzteil aus der Ersatzteilliste Ihres Murray Gerätes aus und bestellen Sie einfach online. Viele Murray Ersatzteile halten wir ständig in unserem Lager für Sie bereit.
| BildNr | Artikel Nummer | Bezeichnung | |
| 1 | BS327376 | ||
| 2 | BS124824 | ||
| 3 | BS271190 | ||
| 4 | BS313541 | ||
| 5 | BS56030 | ||
| 6 | BS55273MA | NUT, 5/16-18 WDFLLKLR | |
| 7 | BS300440MA | GUIDE,BELT,RIDER | |
| 8 | BS015X43MA | NUT .31-18 ST OVERLOC | |
| 9 | BS335697-884 | ||
| 10 | BS320075 | ||
| 11 | BS180079 | ||
| 12 | BS120393MA | FLACHSCHEIBE 349X.69 | |
| 13 | BS1498 | ||
| 14 | BS338048 | ||
| 17 | BS50148 | ||
| 18 | BS8260 | ||
| 19 | BS9400 | ||
| 20 | BS782967MA | SCHRAUBE 5/16-18X.88 | |
| 21 | BS300698 | ||
| 22 | BS302628MA | SCHRAUBE, 1/4-20X .75 HH | |
| 23 | BS1502 | ||
| 24 | BS300158 | ||
| 25 | BS300169MA | WP LIFT ASSY, RH | |
| 26 | BS180079 | ||
| 27 | BS58247MA | EINSTELLMUTTER | |
| 28 | BS1498 | ||
| 29 | BS58248 | ||
| 30 | BS57072 | ||
| 31 | BS1498 | ||
| 32 | BS323739 | ||
| 33 | BS50947 | ||
| 34 | BS180079 | ||
| 35 | BS120393 | ||
| 36 | BS1498 | ||
| 37 | BS319111 | ||
| 38 | BS310347 | ||
| 39 | BS180077MA | SCHRAUBE 5/16-18X.75 HHC | |
| 40 | BS583409MA | WASHER, FLAT | |
| 41 | BS1498 | ||
| 42 | BS310347 | ||
| 43 | BS57259MA | RIEMENFUHRUNG 5/16-18T | |
| 44 | BS996416 | ||
| 45 | BS1498 | ||
| 46 | BS310356 | ||
| 47 | BS180020 | ||
| 48 | BS1502 | ||
| 49 | BS304016 | ||
| 50 | BS1498 | ||


Qualitätsmanagement
Informieren Sie uns, wenn Sie einen Fehler gefunden haben.

