Murray G4318030 - 43" Lawn Tractor (1997) Engine & Control Assembly Ersatzteile
Engine & Control Assembly G4318030 - Murray 43" Lawn Tractor (1997)

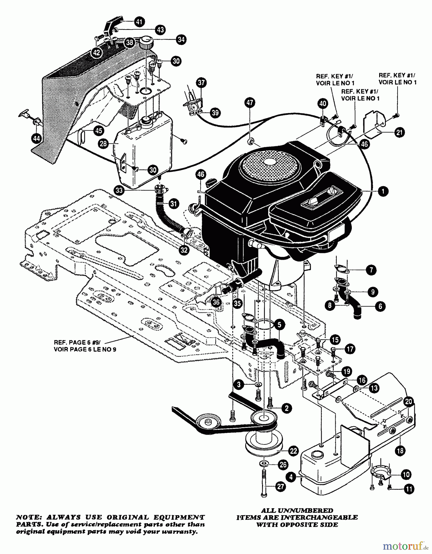
Hier finden Sie die Ersatzteilzeichnung für Murray Rasen- und Gartentraktoren G4318030 - Murray 43" Lawn Tractor (1997) Engine & Control Assembly. Wählen Sie das benötigte Ersatzteil aus der Ersatzteilliste Ihres Murray Gerätes aus und bestellen Sie einfach online. Viele Murray Ersatzteile halten wir ständig in unserem Lager für Sie bereit.



