Murray 46404x89A - Yard King Performance 46" Garden Tractor (1997) Steering Ersatzteile
Steering 46404x89A - Yard King Performance 46" Garden Tractor (1997)

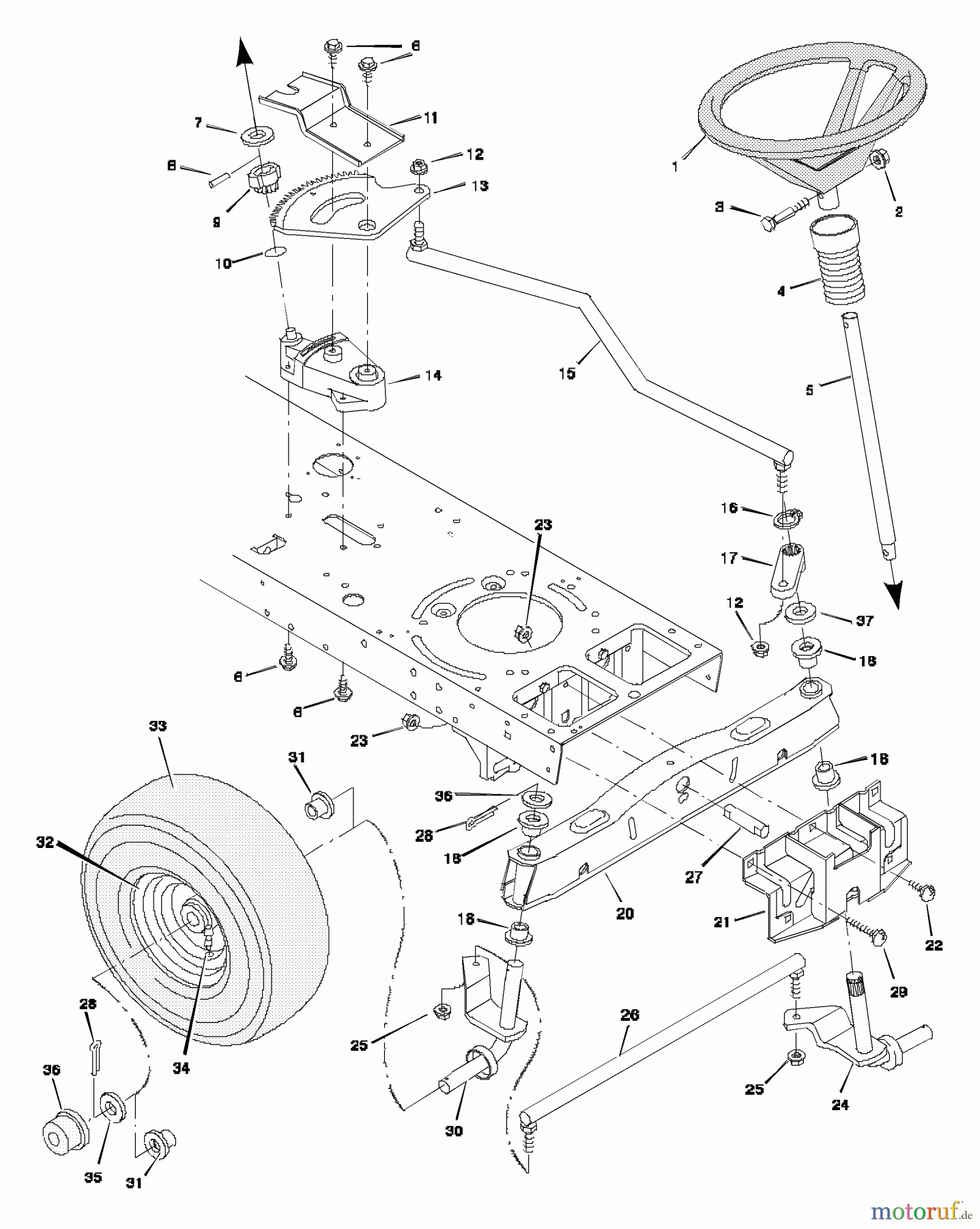
Hier finden Sie die Ersatzteilzeichnung für Murray Rasen- und Gartentraktoren 46404x89A - Yard King Performance 46" Garden Tractor (1997) Steering. Wählen Sie das benötigte Ersatzteil aus der Ersatzteilliste Ihres Murray Gerätes aus und bestellen Sie einfach online. Viele Murray Ersatzteile halten wir ständig in unserem Lager für Sie bereit.


Qualitätsmanagement
Informieren Sie uns, wenn Sie einen Fehler gefunden haben.


