Einstellungen Computer

Murray 42580x89A - Yard King Performance 42" Lawn Tractor (2000) Rear Chassis Assembly Ersatzteile

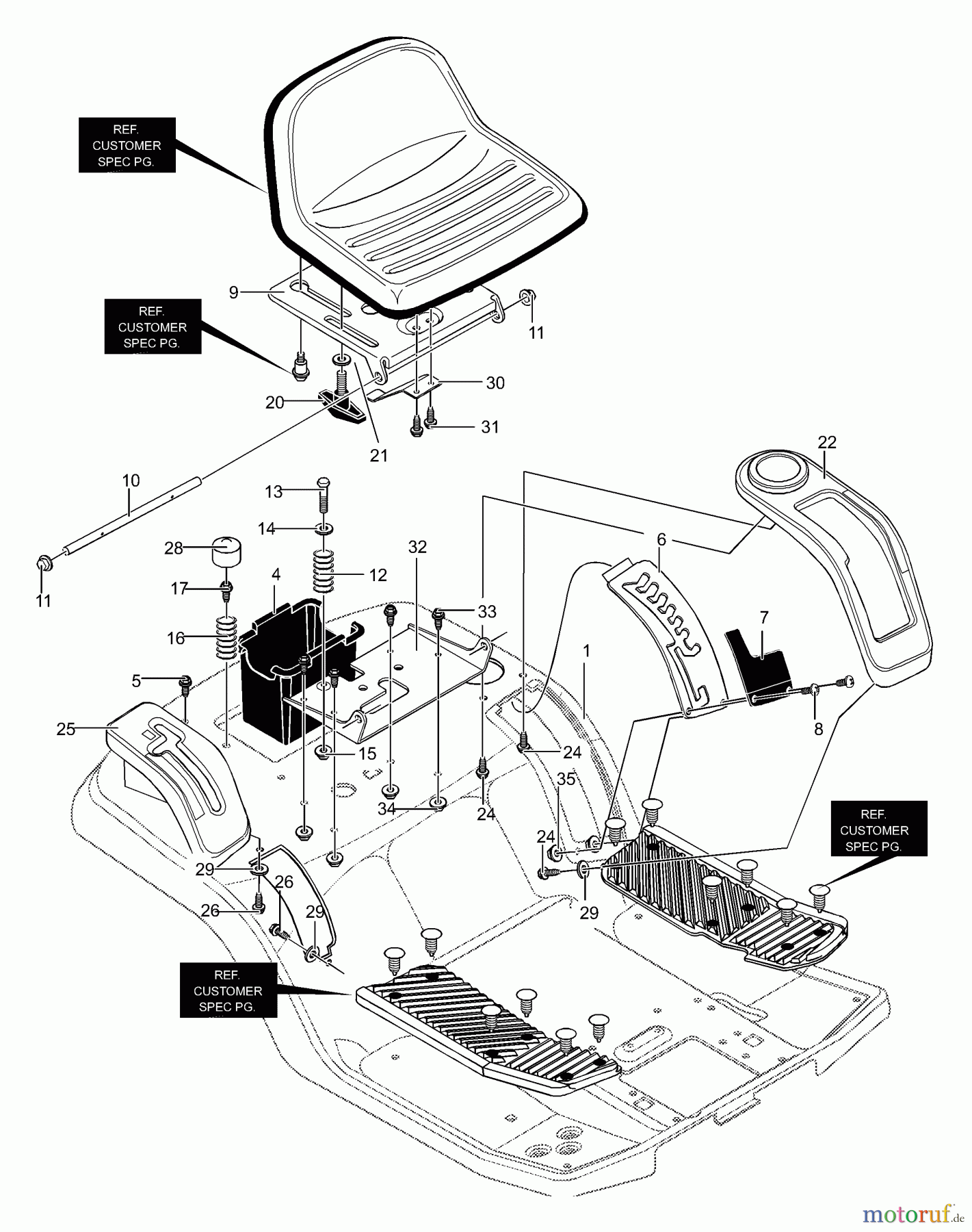
Rear Chassis Assembly 42580x89A - Yard King Performance 42" Lawn Tractor (2000)

 Murray Rasen- und Gartentraktoren 42580x89A - Yard King Performance 42

Hier finden Sie die Ersatzteilzeichnung für Murray Rasen- und Gartentraktoren 42580x89A - Yard King Performance 42" Lawn Tractor (2000) Rear Chassis Assembly. Wählen Sie das benötigte Ersatzteil aus der Ersatzteilliste Ihres Murray Gerätes aus und bestellen Sie einfach online. Viele Murray Ersatzteile halten wir ständig in unserem Lager für Sie bereit.

Rasen
Bankeinzug, MasterCard, Visa, American Express, PayPal, Nachnahme, Vorauskasse, Sofortüberweisung
Datenschutzerklärung Impressum
Qualitätsmanagement
Informieren Sie uns, wenn Sie einen Fehler gefunden haben.