Einstellungen Computer

Murray 42571x31B - Scotts 42" Lawn Tractor (2001) (Home Depot) Drive Assembly Ersatzteile

Drive Assembly 42571x31B - Scotts 42" Lawn Tractor (2001) (Home Depot)

 Murray Rasen- und Gartentraktoren 42571x31B - Scotts 42

Hier finden Sie die Ersatzteilzeichnung für Murray Rasen- und Gartentraktoren 42571x31B - Scotts 42" Lawn Tractor (2001) (Home Depot) Drive Assembly. Wählen Sie das benötigte Ersatzteil aus der Ersatzteilliste Ihres Murray Gerätes aus und bestellen Sie einfach online. Viele Murray Ersatzteile halten wir ständig in unserem Lager für Sie bereit.

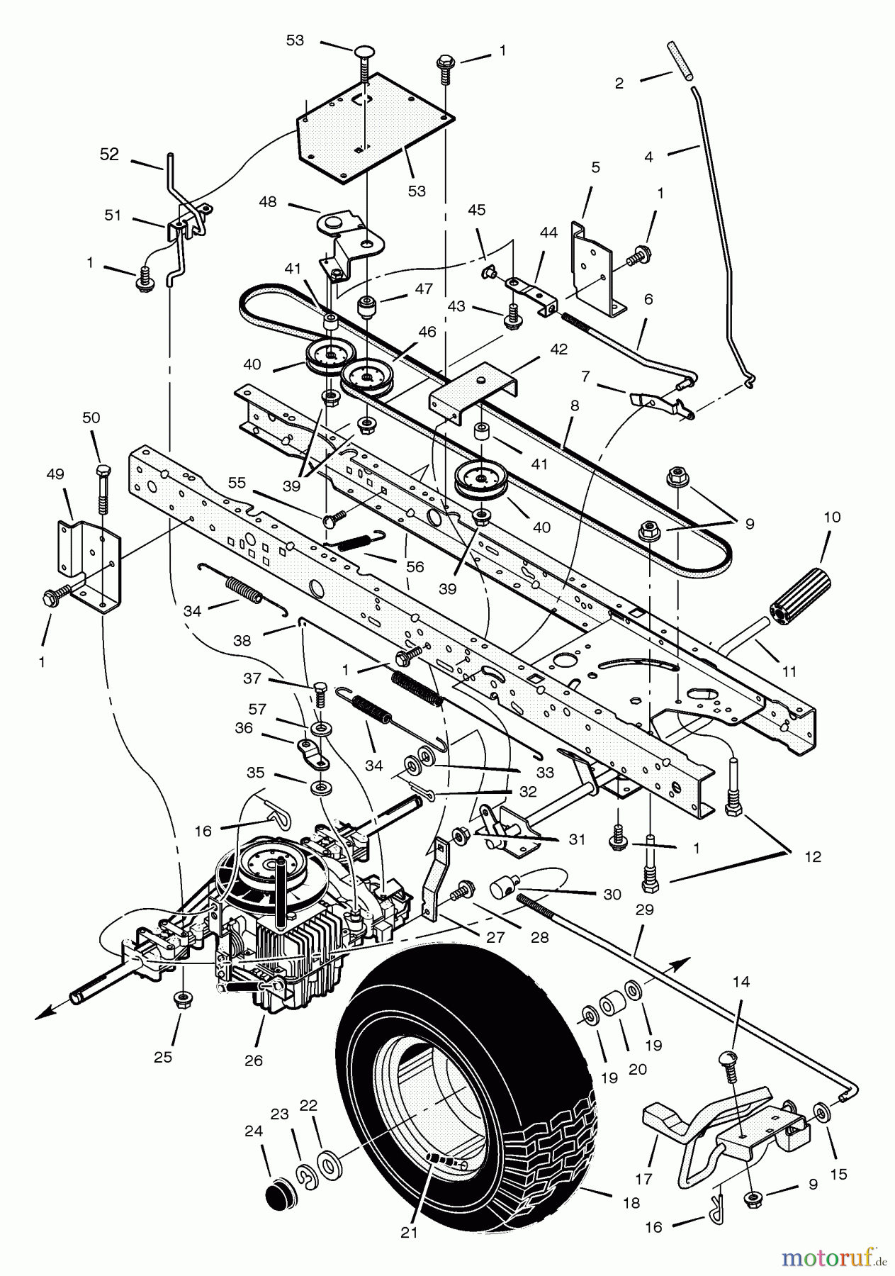
BildNrArtikel NummerBezeichnung
1 BS26X249MASCREW-.312-18X.75
2 BS091079MAGRIP-BLACK .207 ID X
4 BS1001271ZMAPARKBREMSGESTANGE
5 BS094185E701MABRACKET T/A L.H.
6 BS1001013ZMAGETRIEBEGESTANGE
7 BS094045ZMASPERRRIEGEL-PARKBREMSE
8 BS37X106MAV-BELT
9 BS015X79MANUT.31-18 FLANGELOCK
10 BS021544MACLUTCH & BRAKE PEDAL
11 BS1001011E700
12 BS094384MAGUIDE SCREW - YELLOW
14 BS002X53MABOLT,CRG .31-18 X 0.
15 BS017X57MAUNTERLEGSCHEIBE.47.72 16G FLT
16 BS0031X4MAPIN, HAIR .56D - .09
17 BS1001231E700
18 BS92511601
-- BS407926MATIRE 20X8.00TS SE
-- BS407049MAINNER TUBE-18X9.5 SE
19 BS17X160MAWASHER.76-1.2 16G FL
20 BS690554ZMASPACER
21 BS024373MAVENTIL STM&CP,TR41 SE
22 BS17X195MAUNTERLEGSCHEIBE
23 BS0011X3MARING,E .750D .050T
24 Murray HUB CAPBS094618MAHUB CAP
25 Murray NUT,CENTERLOCK  Z  .3BS015X88MANUT,CENTERLOCK Z .3
26 BSEingangswelle UE 600
27 BS1001085
28 Murray SCREW-THREAD FORMINGBS26X216MASCREW-THREAD FORMING
29 BS1001234ZMAKONTROLLSTANGE
30 BS092132ZMAEINSTELLMUTTER
31 BS015X84MAMUTTER, CENTERLOCK .38-
32 BS030X20MAPIN-COTTER.09D-.750L
33 BS017X48MAWASHER.39.75 13G FLT
34 Murray SPRING-EXTENSIONBS165X92MASPRING-EXTENSION
35 BS17X148MAUNTERLEGSCHEIBE.38 SQ 1. 16G F
36 BS1001086ZMAAUSLEGER, TRENNBAR
37 BS06X105MACAP SCREW 1/4-28 (AR
38 BS165X150MASPRING - BRAKE
39 BS015X98MAMUTTER.38-16 FLANSCHARRETIERUN
40 BS690409MAIDLER PULLEY - 2.75 D
41 BS690369MASPACER 1/2'' TO 17 MM
42 BS1001097
43 BS009X49MABOLT,SHD .38-16X.499
44 BS1001007ZMALINK - CLUTCH
45 BS1001014MANUT - TEE
46 BS690410MAIDLER PULLEY - 3.0 DI
47 BS1001012MAPIVOT BUSHING
48 BS1001018ZMASPANNARM KOMPL.
49 BS094184E701MAHALTERUNG - T/A RECHTS
50 BS01X155MABOLT-HEX.31-18X2.50 P
51 BS1001214ZMAHALTER, KUPPLUNG
52 BS1001215ZMATRENNSTANGE
53 BS1001108
54 BS002X92MABOLT - CARRIAGE
55 BS002X78MASCHLOSSSCHRAUBE
56 BS165X155MAZUGFEDER CTRL
57 BS017X38MAUNTERLEGSCHEIBE.26.75 16G FLT
Rasen
Bankeinzug, MasterCard, Visa, American Express, PayPal, Nachnahme, Vorauskasse, Sofortüberweisung
Datenschutzerklärung Impressum