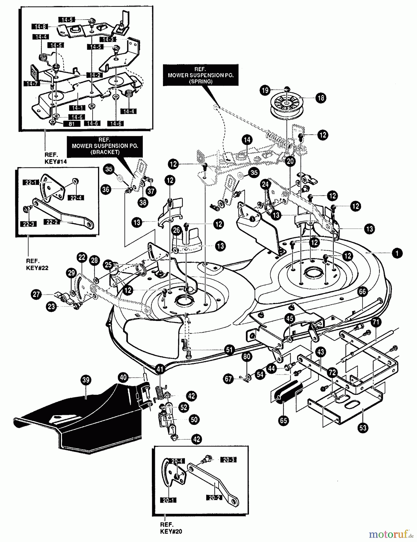
Murray 42561x8B - Scotts 42" Lawn Tractor (1997) (Home Depot) Mower Housing Assembly (part 1) Ersatzteile
Mower Housing Assembly (part 1) 42561x8B - Scotts 42" Lawn Tractor (1997) (Home Depot)

Hier finden Sie die Ersatzteilzeichnung für Murray Rasen- und Gartentraktoren 42561x8B - Scotts 42" Lawn Tractor (1997) (Home Depot) Mower Housing Assembly (part 1). Wählen Sie das benötigte Ersatzteil aus der Ersatzteilliste Ihres Murray Gerätes aus und bestellen Sie einfach online. Viele Murray Ersatzteile halten wir ständig in unserem Lager für Sie bereit.




