Einstellungen Computer

Murray 425603x99A - B&S/ 42" Lawn Tractor (2003) (AAFES) Steering Ersatzteile

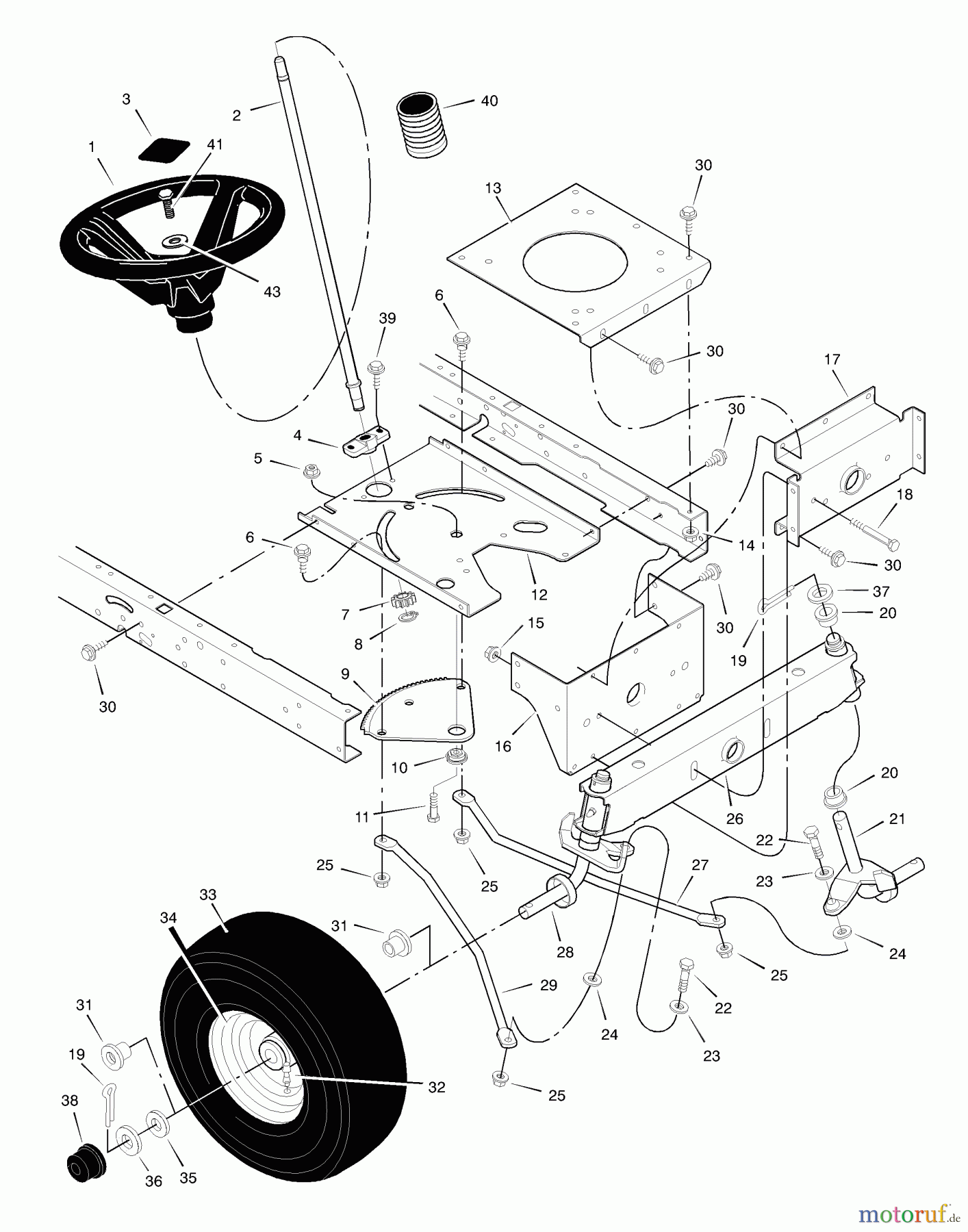
Steering 425603x99A - B&S/Murray 42" Lawn Tractor (2003) (AAFES)

 Murray Rasen- und Gartentraktoren 425603x99A - B&S/Murray 42

Hier finden Sie die Ersatzteilzeichnung für Murray Rasen- und Gartentraktoren 425603x99A - B&S/Murray 42" Lawn Tractor (2003) (AAFES) Steering. Wählen Sie das benötigte Ersatzteil aus der Ersatzteilliste Ihres Murray Gerätes aus und bestellen Sie einfach online. Viele Murray Ersatzteile halten wir ständig in unserem Lager für Sie bereit.

Rasen
Bankeinzug, MasterCard, Visa, American Express, PayPal, Nachnahme, Vorauskasse, Sofortüberweisung
Datenschutzerklärung Impressum
Qualitätsmanagement
Informieren Sie uns, wenn Sie einen Fehler gefunden haben.