Murray 425600x8A - Scotts 42" Lawn Tractor (2003) (Home Depot) Drive Assembly Ersatzteile
Drive Assembly 425600x8A - Scotts 42" Lawn Tractor (2003) (Home Depot)

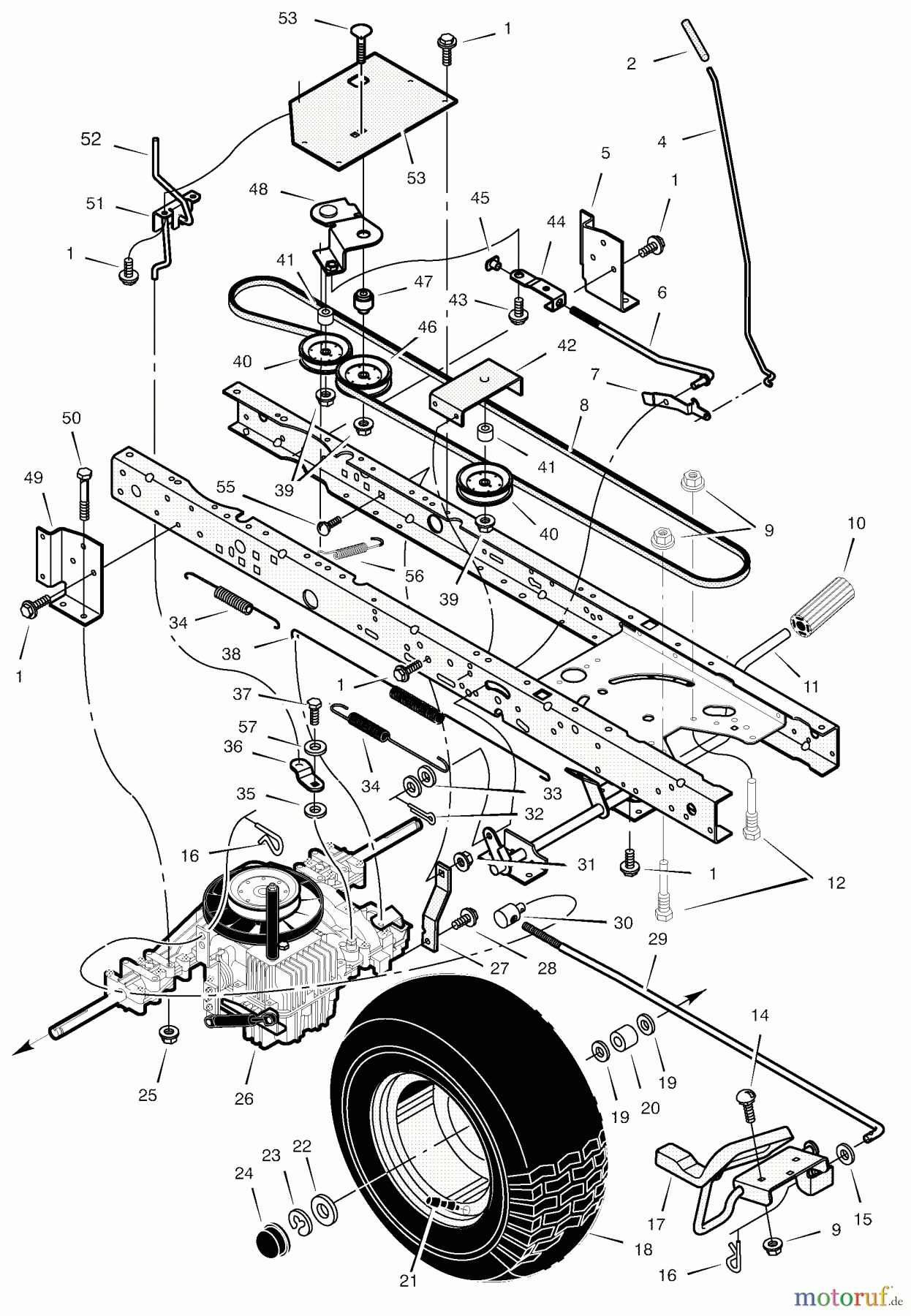
Hier finden Sie die Ersatzteilzeichnung für Murray Rasen- und Gartentraktoren 425600x8A - Scotts 42" Lawn Tractor (2003) (Home Depot) Drive Assembly. Wählen Sie das benötigte Ersatzteil aus der Ersatzteilliste Ihres Murray Gerätes aus und bestellen Sie einfach online. Viele Murray Ersatzteile halten wir ständig in unserem Lager für Sie bereit.


Qualitätsmanagement
Informieren Sie uns, wenn Sie einen Fehler gefunden haben.





