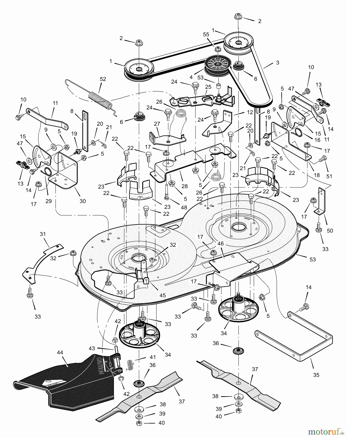
Murray 40508x92G - B&S/ 40" Lawn Tractor (2003) (Walmart) Mower Housing Ersatzteile
Mower Housing 40508x92G - B&S/Murray 40" Lawn Tractor (2003) (Walmart)

Hier finden Sie die Ersatzteilzeichnung für Murray Rasen- und Gartentraktoren 40508x92G - B&S/Murray 40" Lawn Tractor (2003) (Walmart) Mower Housing. Wählen Sie das benötigte Ersatzteil aus der Ersatzteilliste Ihres Murray Gerätes aus und bestellen Sie einfach online. Viele Murray Ersatzteile halten wir ständig in unserem Lager für Sie bereit.


Qualitätsmanagement
Informieren Sie uns, wenn Sie einen Fehler gefunden haben.







