Einstellungen Computer

Murray 405005x99B - B&S/ 40" Lawn Tractor (2004) (AAFES) Mower Housing Suspension Ersatzteile

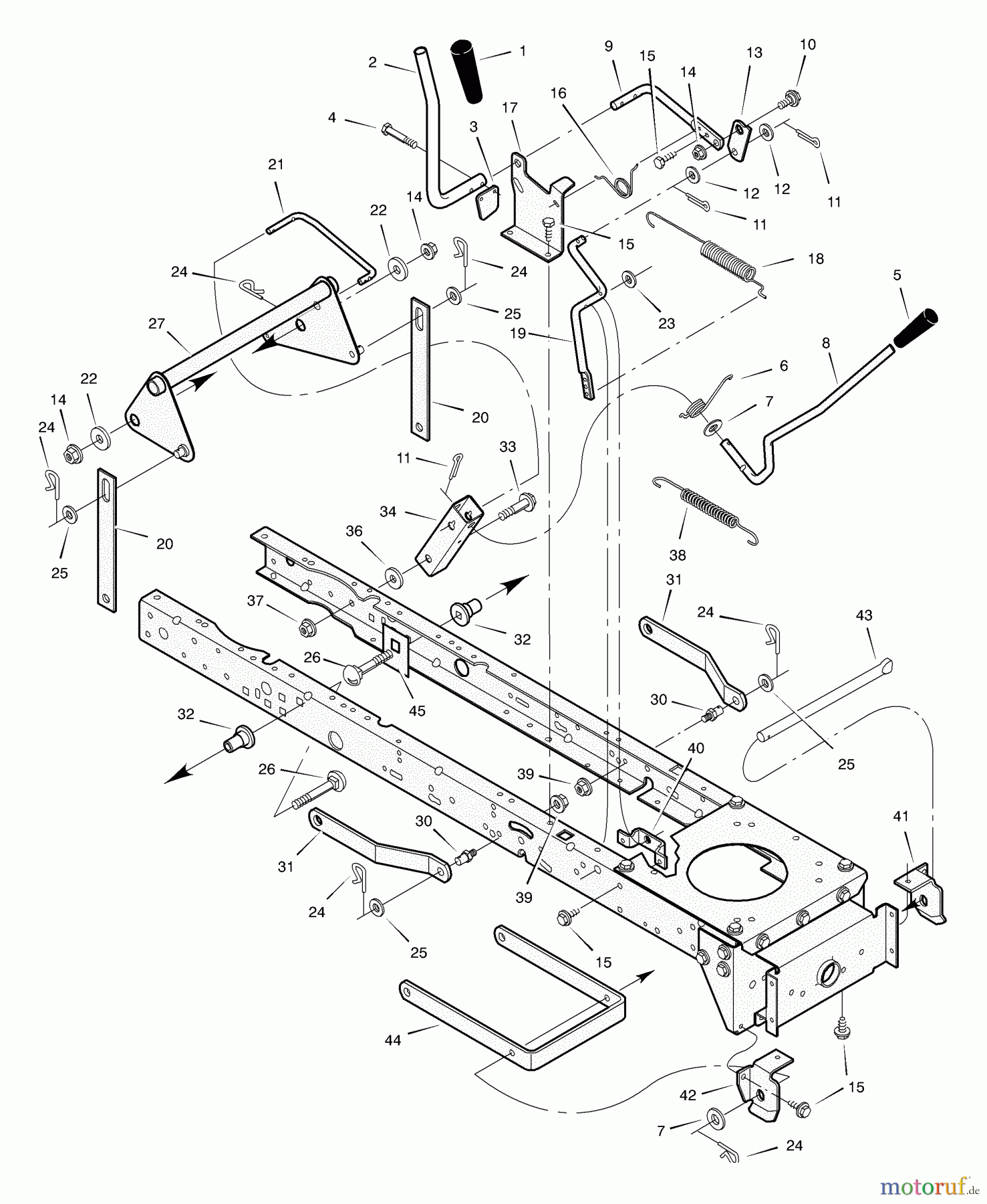
Mower Housing Suspension 405005x99B - B&S/Murray 40" Lawn Tractor (2004) (AAFES)

 Murray Rasen- und Gartentraktoren 405005x99B - B&S/Murray 40

Hier finden Sie die Ersatzteilzeichnung für Murray Rasen- und Gartentraktoren 405005x99B - B&S/Murray 40" Lawn Tractor (2004) (AAFES) Mower Housing Suspension. Wählen Sie das benötigte Ersatzteil aus der Ersatzteilliste Ihres Murray Gerätes aus und bestellen Sie einfach online. Viele Murray Ersatzteile halten wir ständig in unserem Lager für Sie bereit.

Rasen
Bankeinzug, MasterCard, Visa, American Express, PayPal, Nachnahme, Vorauskasse, Sofortüberweisung
Datenschutzerklärung Impressum
Qualitätsmanagement
Informieren Sie uns, wenn Sie einen Fehler gefunden haben.