Jonsered FR13 - Rear-Engine Riding Mower (1998-10) CHASSIS / FRAME #2 Ersatzteile
CHASSIS / FRAME #2 FR13 - Jonsered Rear-Engine Riding Mower (1998-10)

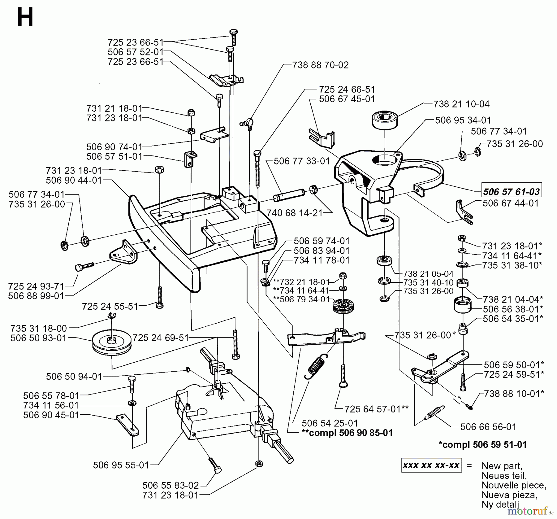
Hier finden Sie die Ersatzteilzeichnung für Jonsered Reitermäher FR13 - Jonsered Rear-Engine Riding Mower (1998-10) CHASSIS / FRAME #2. Wählen Sie das benötigte Ersatzteil aus der Ersatzteilliste Ihres Jonsered Gerätes aus und bestellen Sie einfach online. Viele Jonsered Ersatzteile halten wir ständig in unserem Lager für Sie bereit.











