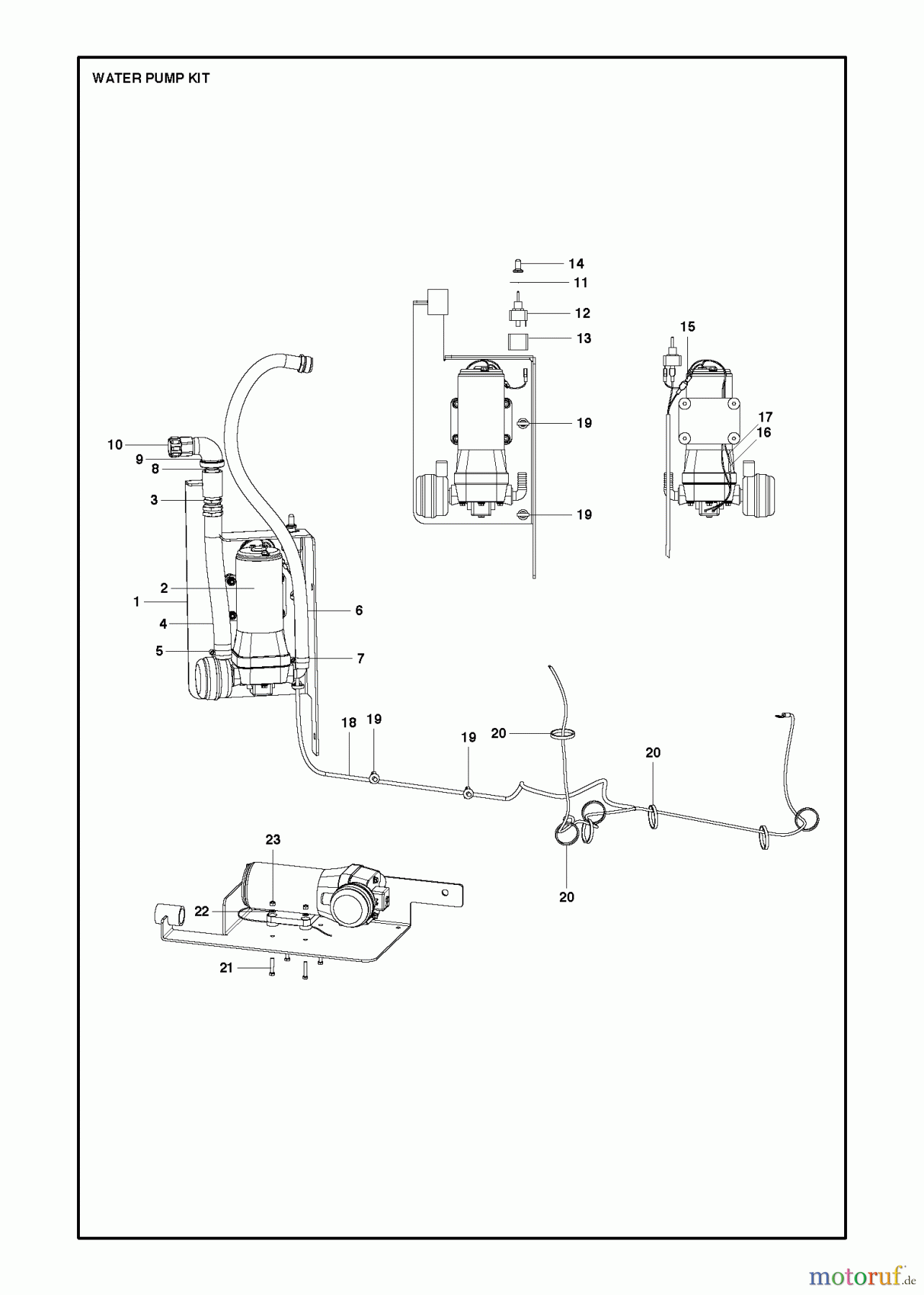
Trennschneider, Floor WATER PUMP Ersatzteile
WATER PUMP FS5000, 2014-05

Hier finden Sie die Ersatzteilzeichnung für Trennschneider, Floor FS5000, 2014-05 WATER PUMP. Wählen Sie das benötigte Ersatzteil aus der Ersatzteilliste Ihres Trennschneider, Floor Gerätes aus und bestellen Sie einfach online. Viele Trennschneider, Floor Ersatzteile halten wir ständig in unserem Lager für Sie bereit.


Qualitätsmanagement
Informieren Sie uns, wenn Sie einen Fehler gefunden haben.


