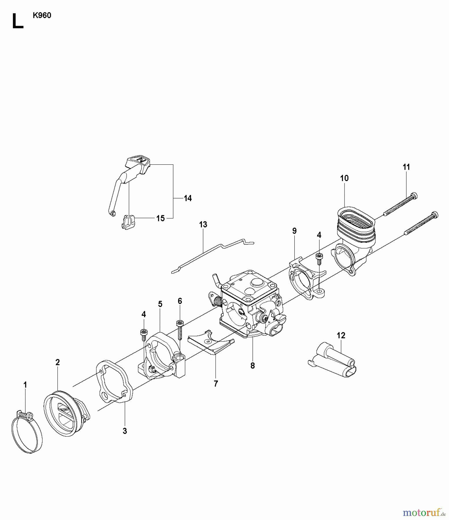
Trennschneider, Cut-Off CARBURETOR Ersatzteile
CARBURETOR K960, 2007-10

Hier finden Sie die Ersatzteilzeichnung für Trennschneider, Cut-Off K960, 2007-10 CARBURETOR. Wählen Sie das benötigte Ersatzteil aus der Ersatzteilliste Ihres Trennschneider, Cut-Off Gerätes aus und bestellen Sie einfach online. Viele Trennschneider, Cut-Off Ersatzteile halten wir ständig in unserem Lager für Sie bereit.



