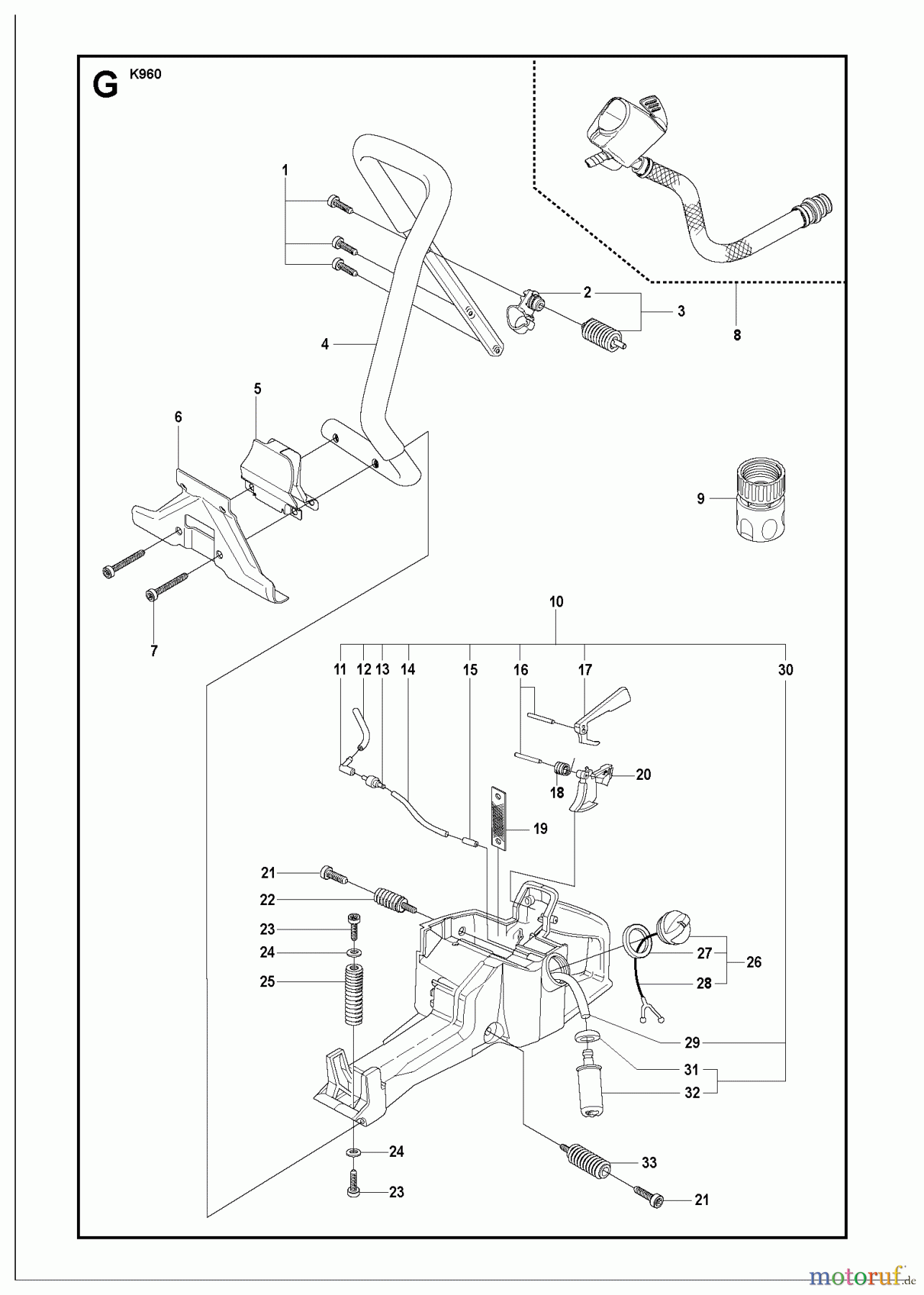
Trennschneider, Cut-Off FUEL TANK & HANDLE Ersatzteile
FUEL TANK & HANDLE K960 RESCUE, 2007-07

Hier finden Sie die Ersatzteilzeichnung für Trennschneider, Cut-Off K960 RESCUE, 2007-07 FUEL TANK & HANDLE. Wählen Sie das benötigte Ersatzteil aus der Ersatzteilliste Ihres Trennschneider, Cut-Off Gerätes aus und bestellen Sie einfach online. Viele Trennschneider, Cut-Off Ersatzteile halten wir ständig in unserem Lager für Sie bereit.


Qualitätsmanagement
Informieren Sie uns, wenn Sie einen Fehler gefunden haben.

