Trennschneider, Cut-Off FUEL TANK #1 Ersatzteile
FUEL TANK #1 K750, Oilguard, Rescue, 2007-07

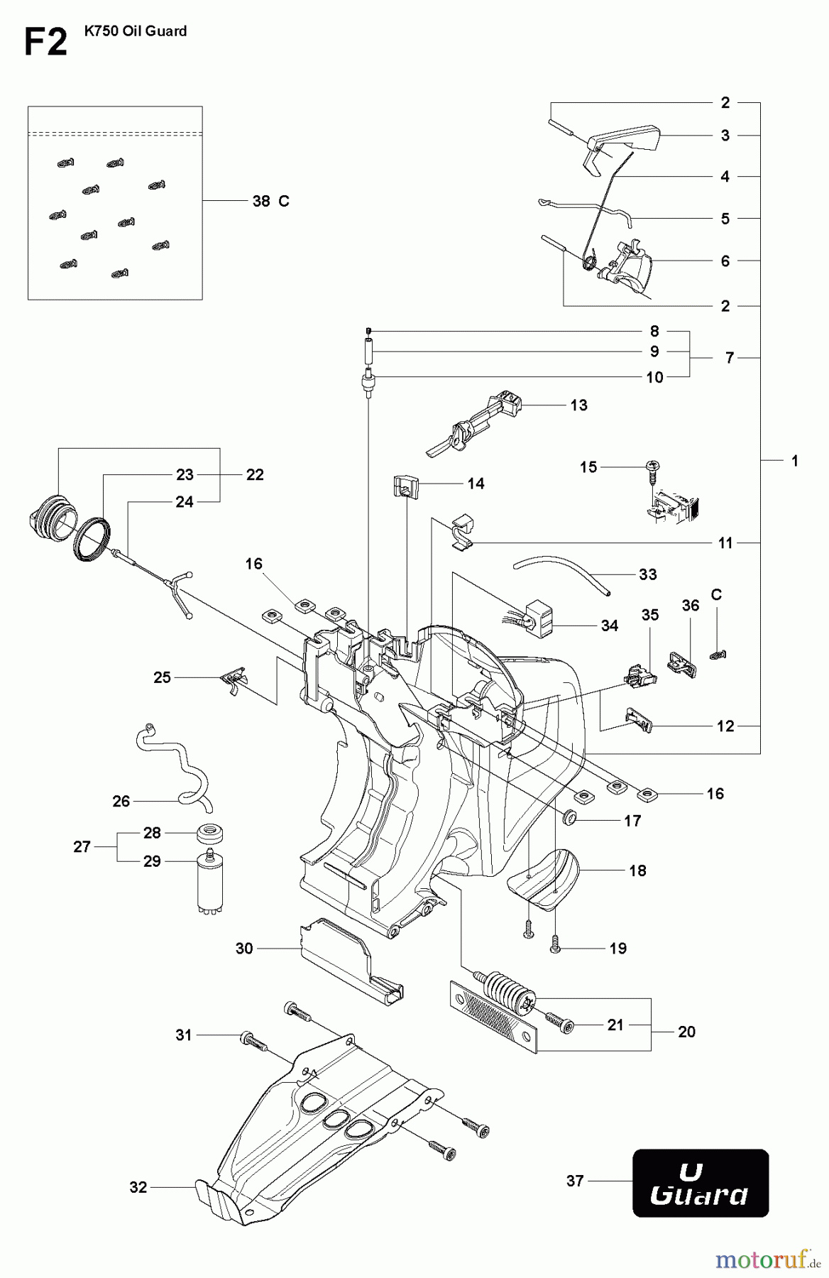
Hier finden Sie die Ersatzteilzeichnung für Trennschneider, Cut-Off K750, Oilguard, Rescue, 2007-07 FUEL TANK #1. Wählen Sie das benötigte Ersatzteil aus der Ersatzteilliste Ihres Trennschneider, Cut-Off Gerätes aus und bestellen Sie einfach online. Viele Trennschneider, Cut-Off Ersatzteile halten wir ständig in unserem Lager für Sie bereit.


Qualitätsmanagement
Informieren Sie uns, wenn Sie einen Fehler gefunden haben.



