Einstellungen Computer

Trennschneider, Cut-Off BELT GUARD & PULLEY Ersatzteile

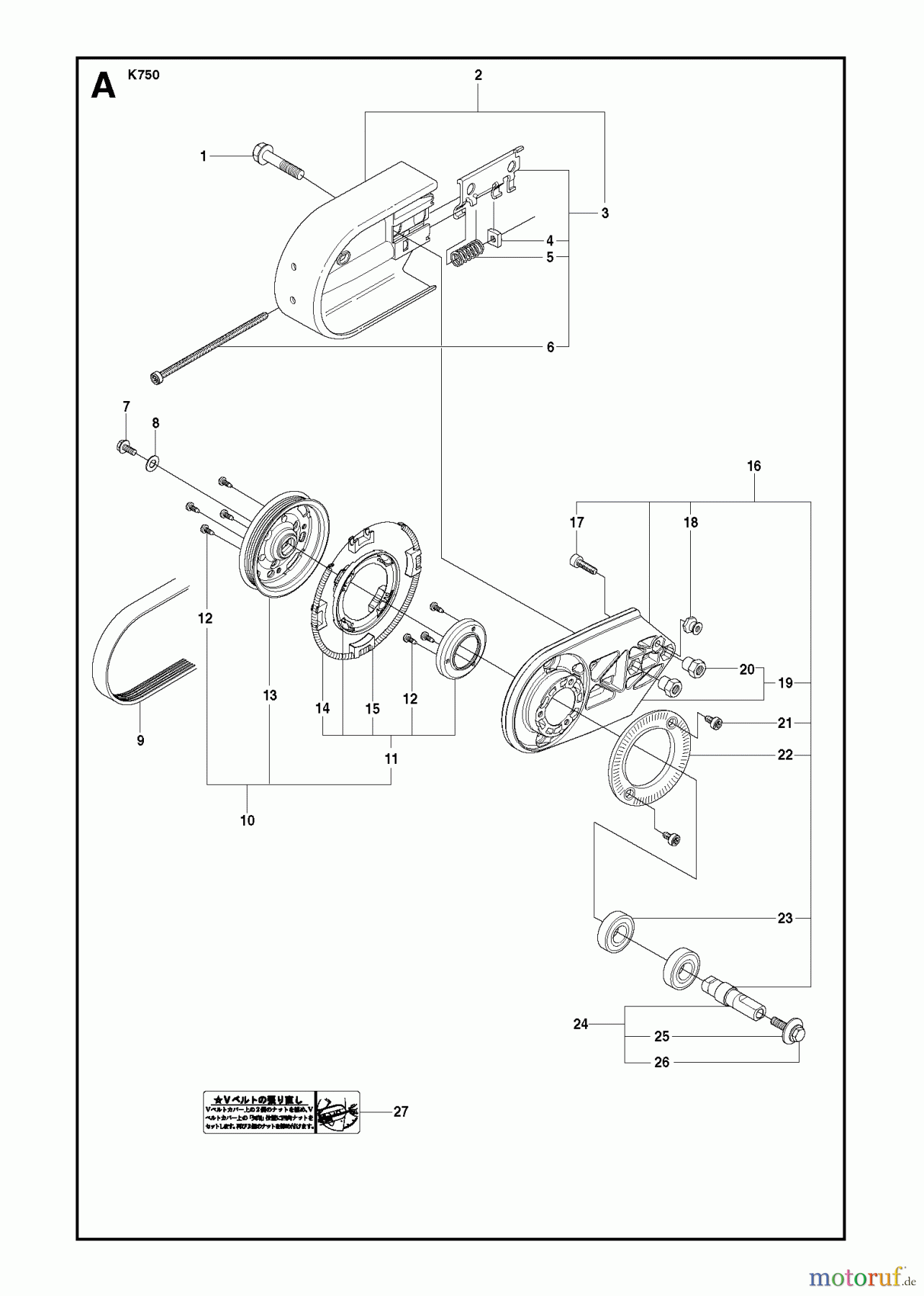
BELT GUARD & PULLEY K750 RESCUE, 2009-07

 Trennschneider, Cut-Off K750 RESCUE, 2009-07 BELT GUARD & PULLEY

Hier finden Sie die Ersatzteilzeichnung für Trennschneider, Cut-Off K750 RESCUE, 2009-07 BELT GUARD & PULLEY. Wählen Sie das benötigte Ersatzteil aus der Ersatzteilliste Ihres Trennschneider, Cut-Off Gerätes aus und bestellen Sie einfach online. Viele Trennschneider, Cut-Off Ersatzteile halten wir ständig in unserem Lager für Sie bereit.

Rasen
Bankeinzug, MasterCard, Visa, American Express, PayPal, Nachnahme, Vorauskasse, Sofortüberweisung
Datenschutzerklärung Impressum
Qualitätsmanagement
Informieren Sie uns, wenn Sie einen Fehler gefunden haben.