Echo WP-1500 - Water Pump, S/N: 02432 - 99999 Camshaft, Governor Ersatzteile
Camshaft, Governor WP-1500 - Echo Water Pump, S/N: 02432 - 99999

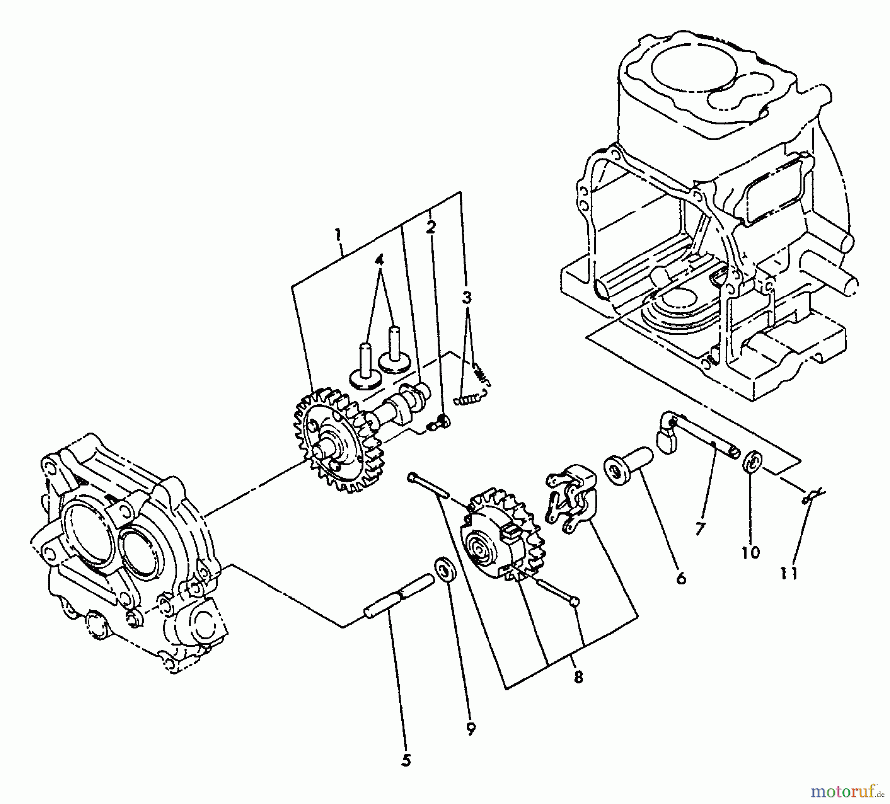
Hier finden Sie die Ersatzteilzeichnung für Echo Wasserpumpen WP-1500 - Echo Water Pump, S/N: 02432 - 99999 Camshaft, Governor. Wählen Sie das benötigte Ersatzteil aus der Ersatzteilliste Ihres Echo Gerätes aus und bestellen Sie einfach online. Viele Echo Ersatzteile halten wir ständig in unserem Lager für Sie bereit.
| BildNr | Artikel Nummer | Bezeichnung | |
| 1 | 1699999999999 | ||
| 2 | 16Y16066414550 | ||
| 3 | 16Y16066414560 | ||
| 4 | 16Y16066414200 | ||
| 5 | 16Y16061061100 | ||
| 6 | 16Y16061061300 | ||
| 7 | 16Y16066461310 | ||
| 8 | 16Y16066461600 | ||
| 9 | 16Y16012076940 | ||
| 10 | 16Y22137060000 | ||
| 11 | 16Y22360060000 | ||


Qualitätsmanagement
Informieren Sie uns, wenn Sie einen Fehler gefunden haben.

