Echo WP-1500 - Water Pump, S/N: 00000 - 02431 Fuel System Ersatzteile
Fuel System WP-1500 - Echo Water Pump, S/N: 00000 - 02431

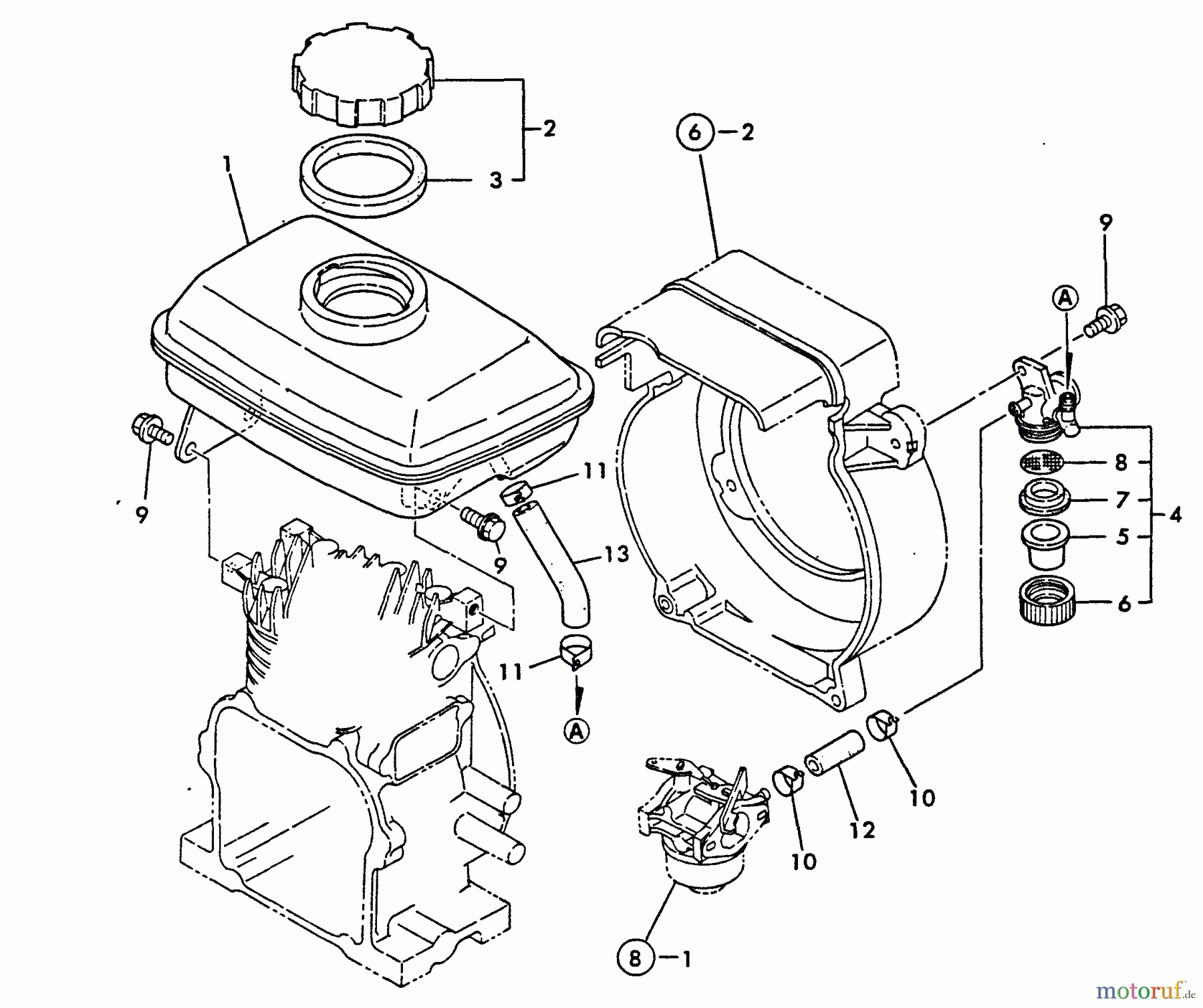
Hier finden Sie die Ersatzteilzeichnung für Echo Wasserpumpen WP-1500 - Echo Water Pump, S/N: 00000 - 02431 Fuel System. Wählen Sie das benötigte Ersatzteil aus der Ersatzteilliste Ihres Echo Gerätes aus und bestellen Sie einfach online. Viele Echo Ersatzteile halten wir ständig in unserem Lager für Sie bereit.
| BildNr | Artikel Nummer | Bezeichnung | |
| 1 | 1699999999999 | ||
| 2 | 16Y16071055060 | ||
| 3 | 16Y16039355050 | ||
| 4 | 16Y16066455300 | ||
| 5 | 16Y16061055390 | ||
| 6 | 16Y16071055360 | ||
| 7 | 16Y16071055370 | ||
| 8 | 16Y16071055380 | ||
| 9 | 16Y26476060142 | ||
| 10 | 16Y12472259050 | ||
| 11 | 16Y10699044660 | ||
| 12 | 16Y16061059160 | ||
| 13 | 16Y16066459350 | ||


Qualitätsmanagement
Informieren Sie uns, wenn Sie einen Fehler gefunden haben.

